
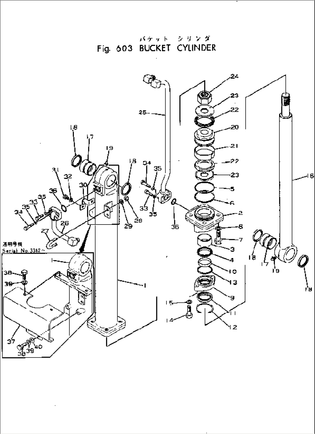
| Item | Part No. | Part Name | Qty | Serial No. |
| 201-63-26102 | CYLINDER ASS'Y | 3362- | ||
| 201-63-26101 | CYLINDER ASS'Y | 1003-3361 | ||
| 1 | 201-63-26142 | CYLINDER | 3362- | |
| 201-63-26141 | CYLINDER | 1003-3361 | ||
| 2 | 201-63-26132 | HEAD,CYLINDER | 1003- | |
| 3 | 07177-05530 | BUSHING | 1003- | |
| 4 | 130-63-12173 | PACKING | 1003- | |
| 5 | 07000-12085 | O-RING | 1003- | |
| 6 | 07146-02086 | RING | 1003- | |
| 7 | 01010-81855 | BOLT | 1003- | |
| 8 | 01602-21854 | WASHER | 1003- | |
| 9 | 201-63-26270 | GLAND | 1003- | |
| 10 | 07177-05512 | BUSHING | 1003- | |
| 11 | 07016-00558 | SEAL | 1003- | |
| 12 | 07179-00077 | RING | 1003- | |
| 13 | 07000-02070 | O-RING | 1003- | |
| 14 | 01010-51445 | BOLT | 1003- | |
| 15 | 01602-21442 | WASHER | 1003- | |
| 16 | 201-63-26122 | ROD | 1003- | |
| 17 | 07144-10505 | BUSHING | 1003- | |
| 18 | 07145-00050 | SEAL | 1003- | |
| 19 | 07020-00900 | FITTING | 1003- | |
| 20 | 201-63-26170 | PISTON | 1003- | |
| 21 | 07155-00925 | RING | 1003- | |
| 22 | 232-63-12451 | PACKING | 1003- | |
| 23 | 201-63-26280 | RETAINER | 1003- | |
| 24 | 07165-13638 | NUT | 1003- | |
| 25 | 201-63-26370 | TUBE | 1003- | |
| 26 | 201-63-26380 | TUBE | 1003- | |
| 27 | 07283-12236 | CLIP | 3362- | |
| 07283-02236 | CLIP | 1003-3361 | ||
| 28 | 01599-01011 | NUT | 1003- | |
| 29 | 01643-31032 | WASHER | 1003- | |
| 30 | 201-63-26391 | CLIP | 1003- | |
| 31 | 01010-51020 | BOLT | 1003- | |
| 32 | 01602-21030 | WASHER | 1003- | |
| 33 | 01010-50840 | BOLT | 3362- | |
| 01010-50835 | BOLT | 1003-3361 | ||
| 34 | 01010-50850 | BOLT | 3362- | |
| 01010-50845 | BOLT | 1003-3361 | ||
| 35 | 01602-20825 | WASHER | 1003- | |
| 36 | 07000-13025 | O-RING | 1003- | |
| 37 | 202-63-26380 | GUARD | 3362- | |
| 38 | 01010-51230 | BOLT | 3362- | |
| 39 | 01602-21236 | WASHER | 3362- | |
| 40 | 01640-21233 | WASHER | 3362- |
