
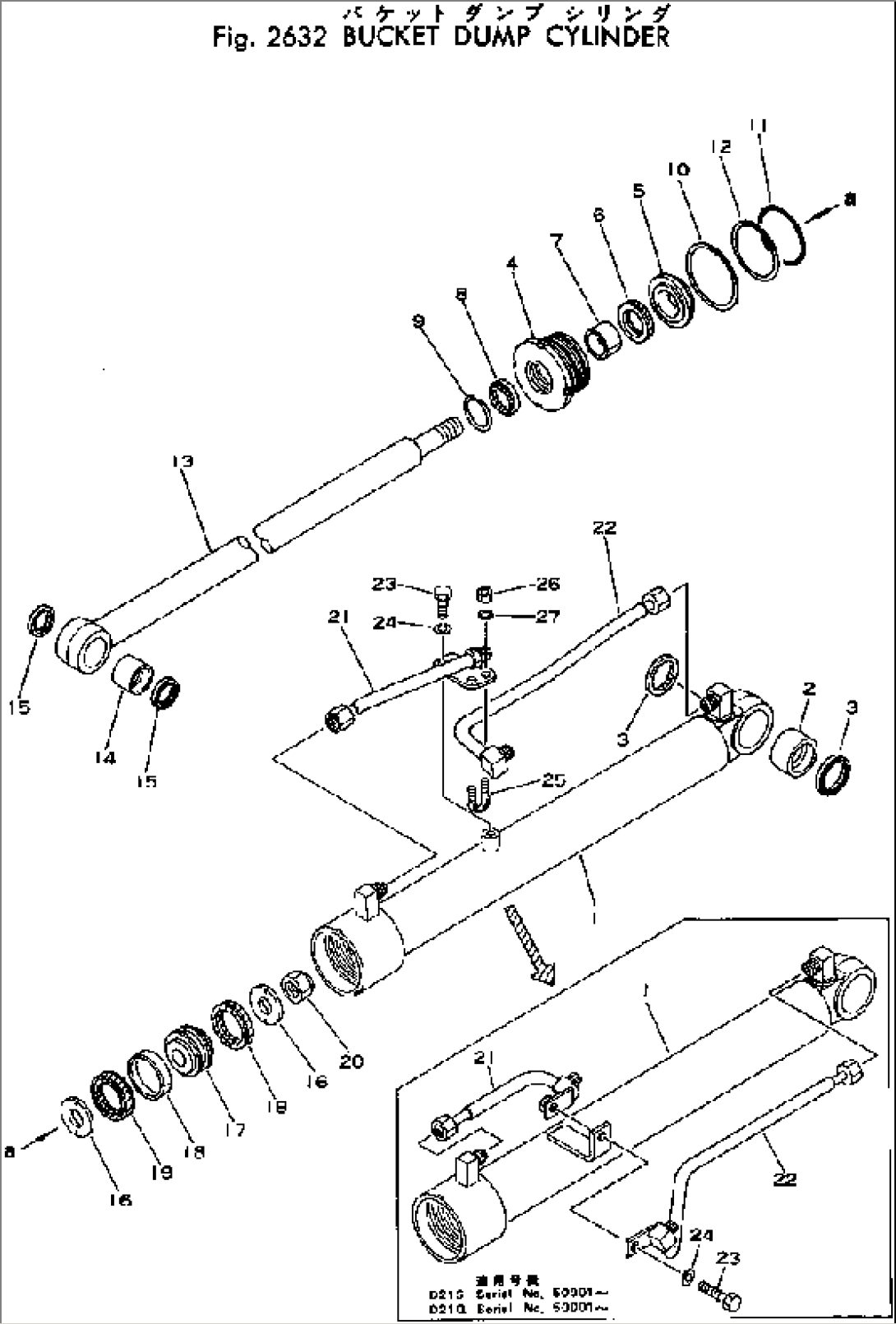
| Item | Part No. | Part Name | Qty | Serial No. |
| 103-63-32101 | CYLINDER ASS'Y,L.H. | 50001- | ||
| 103-63-32100 | CYLINDER ASS'Y,L.H. | 45094-50000 | ||
| 103-63-32201 | CYLINDER ASS'Y,R.H. | 50001- | ||
| 103-63-32200 | CYLINDER ASS'Y,R.H. | 45094-50000 | ||
| 1 | 103-63-32141 | CYLINDER,L.H. | 50001- | |
| 1 | 103-63-32140 | CYLINDER,L.H. | 45094-50000 | |
| 1 | 103-63-32240 | CYLINDER,R.H. | 50001- | |
| 1 | 103-63-32140 | CYLINDER,R.H. | 45094-50000 | |
| 2 | 707-76-40010 | BUSHING | 45094- | |
| 3 | 07145-00040 | SEAL,DUST | 45094- | |
| 4 | 707-29-60500 | HEAD,CYLINDER | 45094- | |
| 5 | 707-57-35510 | RETAINER | 45094- | |
| 6 | 707-51-35110 | PACKING,ROD | 45094- | |
| 6 | (\2\10E-63-96540) | U-PACKING,ROD | (45094-50000) | |
| 7 | 07177-03525 | BUSHING | 45094- | |
| 8 | 175-63-75190 | SEAL,DUST | 45094- | |
| 8 | (\2\07016-00357) | SEAL,DUST | (45094-50000) | |
| 9 | 07179-00054 | RING,SNAP | 45094- | |
| 10 | 707-45-70010 | WASHER | 45094- | |
| 11 | 07000-12075 | O-RING | 45094- | |
| 12 | 07001-02075 | RING,BACK-UP | 45094- | |
| 13 | 103-63-32120 | ROD,PISTON | 45094- | |
| 14 | 07143-10303 | BUSHING | 45094- | |
| 15 | 07145-00030 | SEAL,DUST | 45094- | |
| 16 | 102-63-32390 | RETAINER | 45094- | |
| 17 | 102-61-17331 | PISTON | 45094- | |
| 18 | 07155-00615 | RING,WEAR | 45094- | |
| 19 | 102-63-32372 | PACKING,PISTON | 45094- | |
| 20 | 07165-12222 | NUT,NYLON | 45094- | |
| 21 | 103-63-32181 | TUBE,L.H. | 50001- | |
| 21 | 103-63-32180 | TUBE,L.H. | 45094-50000 | |
| 21 | 103-63-32281 | TUBE,R.H. | 50001- | |
| 21 | 103-63-32280 | TUBE,R.H. | 45094-50000 | |
| 22 | 103-63-32191 | TUBE,L.H. | 50001- | |
| 22 | 103-63-32190 | TUBE,L.H. | 45094-50000 | |
| 22 | 103-63-32291 | TUBE,R.H. | 50001- | |
| 22 | 103-63-32290 | TUBE,R.H. | 45094-50000 | |
| 23 | 01010-31030 | BOLT | 50001- | |
| 23 | 01010-31020 | BOLT | 45094-50000 | |
| 24 | 01643-31032 | WASHER | 50001- | |
| 24 | 01602-01030 | WASHER,SPRING | 45094-50000 | |
| 25 | 07283-21529 | CLIP | 45094-50000 | |
| 26 | 01598-00809 | NUT | 45094-50000 | |
| 27 | 01643-30823 | WASHER | 45094-50000 |
