
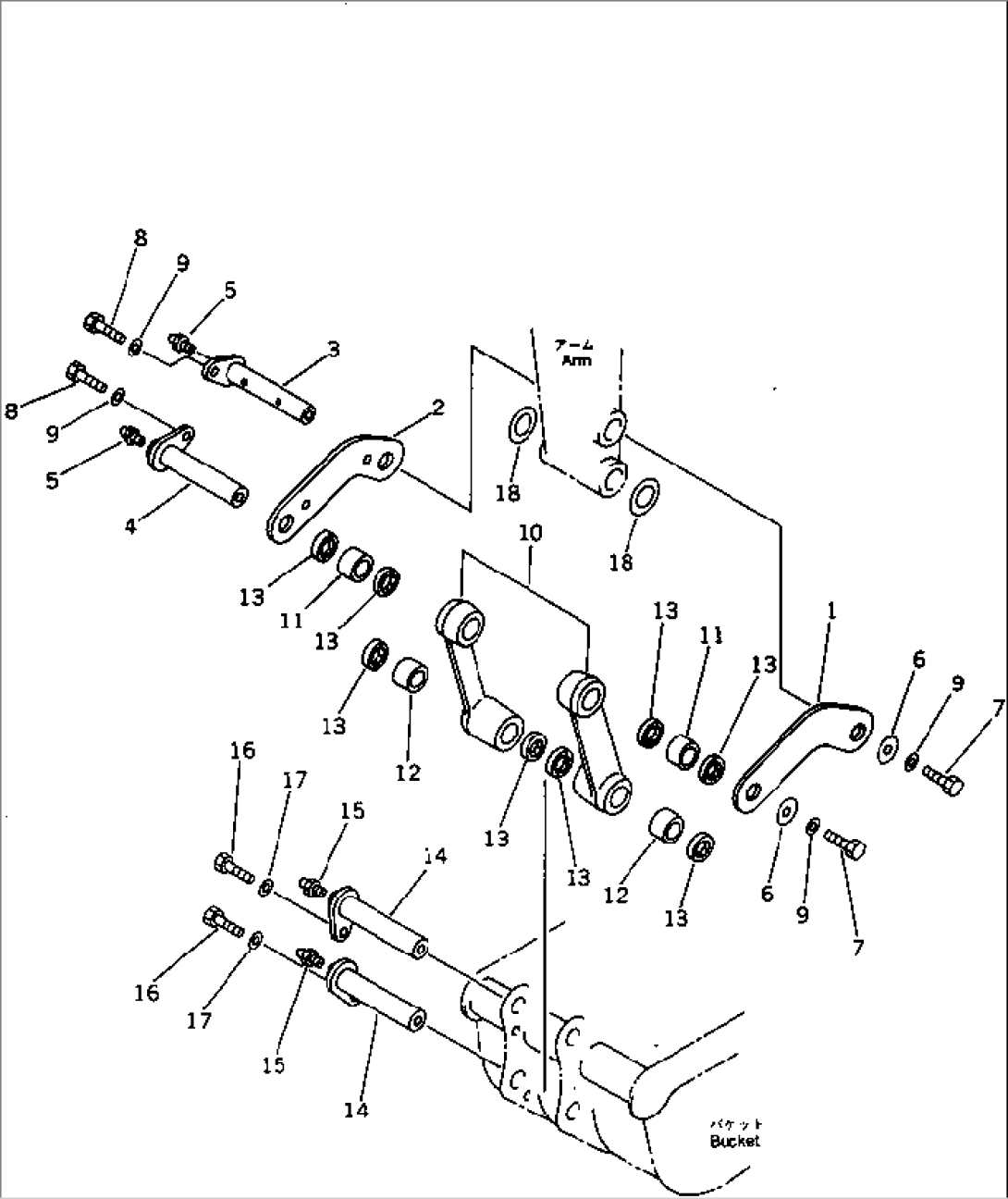
| Item | Part No. | Part Name | Qty | Serial No. |
| G-1 | (\8\21S-70-X6410) | LINK AND PIN GROUP | 1001- | |
| ==================== | ||||
| 1 | 21S-70-11350 | LINK,L.H. PAINT(1) | 1001- | |
| 2 | 21S-70-11340 | LINK,R.H. PAINT(1) | 1001- | |
| 3 | 21S-70-11320 | PIN PAINT(1) | 1001- | |
| 4 | 21S-70-11371 | PIN PAINT(1) | 1001- | |
| 5 | 07020-00000 | FITTING,GREASE | 1001- | |
| 6 | 21S-70-11330 | WASHER PAINT(1) | 1001- | |
| 7 | 01010-51016 | BOLT | 1001- | |
| 8 | 01010-51020 | BOLT | 1001- | |
| 9 | 01643-31032 | WASHER | 1001- | |
| 21S-70-00640 | LINK ASS'Y PAINT(1) | 1001- | ||
| 10 | \6\ | LINK | 1001- | |
| 11 | 21S-70-11450 | BUSHING | 1001- | |
| 12 | 21S-70-11390 | BUSHING | 1001- | |
| 13 | 07145-00025 | SEAL,DUST | 1001- | |
| 14 | 21S-70-11380 | PIN PAINT(1) | 1001- | |
| 15 | 07020-00000 | FITTING,GREASE | 1001- | |
| 16 | 01010-51020 | BOLT | 1001- | |
| 17 | 01643-31032 | WASHER | 1001- | |
| 18 | 21S-70-11440 | SPACER¤ 1.0MM | 1001- | |
| ==================== |
