
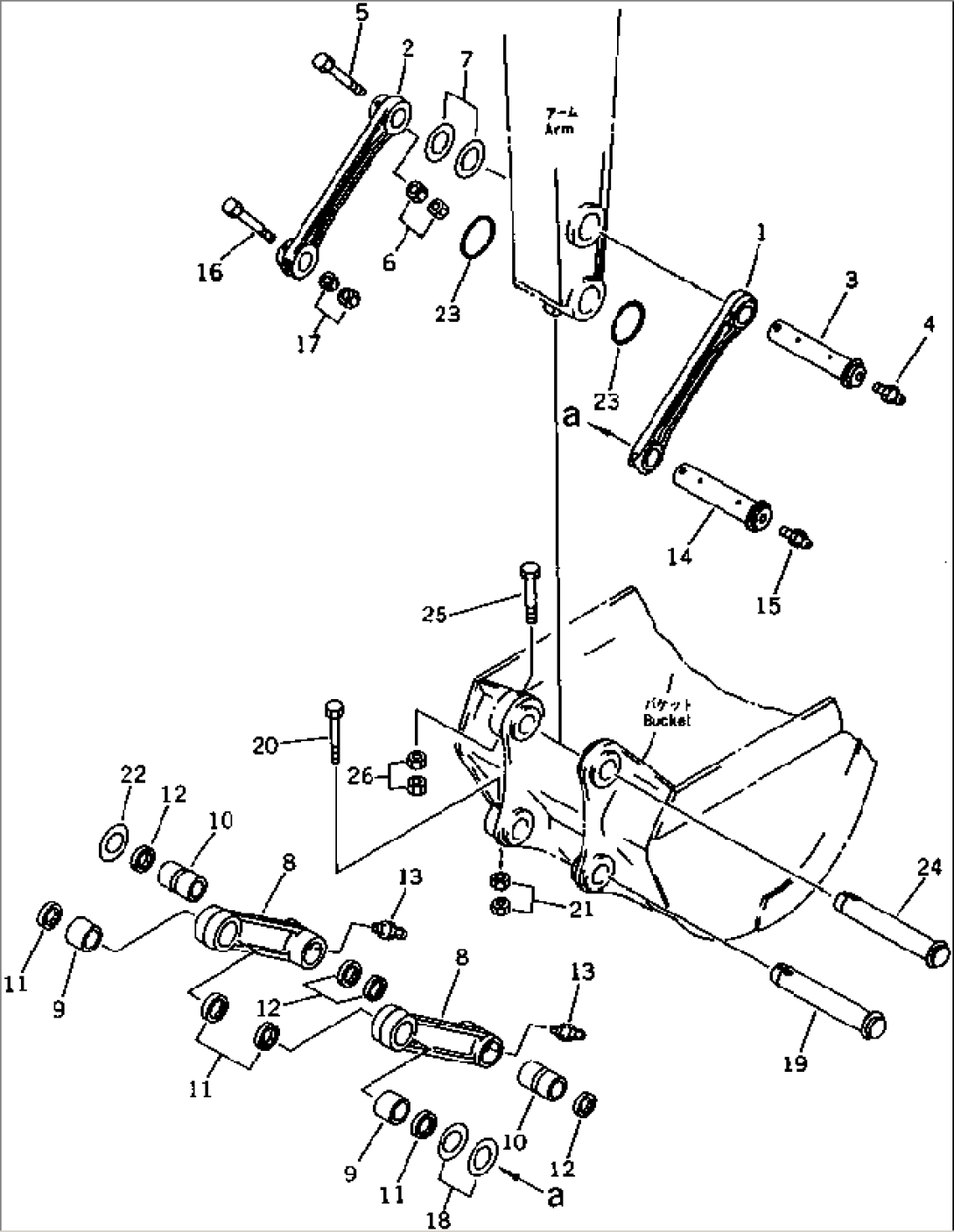
| Item | Part No. | Part Name | Qty | Serial No. |
| 1 | 202-70-64121 | LINK,L.H. | 31091- | |
| 1 | \0\202-70-64120 | LINK,L.H. | 28001-31090 | |
| 2 | 202-70-64131 | LINK,R.H. | 31091- | |
| 2 | \0\202-70-64130 | LINK,R.H. | 28001-31090 | |
| 3 | 202-70-64151 | PIN | 32402- | |
| 3 | \0\202-70-64150 | PIN | 28001-32401 | |
| 4 | 07020-00000 | FITTING,GREASE | 28001- | |
| 5 | 01011-51620 | BOLT | 28001- | |
| 6 | 01580-11613 | NUT | 28001- | |
| 7 | 203-70-24150 | SPACER, 1.0MM | 28001- | |
| 7 | 203-70-24160 | SPACER, 2.0MM | 28001- | |
| 203-70-00542 | LINK ASS'Y | 31091- | ||
| \0\203-70-00541 | LINK ASS'Y | 28001-31090 | ||
| 8 | \6\ | LINK | 31091- | |
| 8 | \6\ | LINK | 28001-31090 | |
| 9 | 203-70-56140 | BUSHING | 28001- | |
| 10 | 203-70-56160 | BUSHING | 28001- | |
| 11 | 07145-00065 | SEAL,DUST | 28001- | |
| 12 | 07145-00060 | SEAL,DUST | 28001- | |
| 13 | 07020-00000 | FITTING,GREASE | 28001- | |
| 14 | 202-70-64161 | PIN | 32402- | |
| 14 | \0\202-70-64160 | PIN | 28001-32401 | |
| 15 | 07020-00000 | FITTING,GREASE | 28001- | |
| 16 | 01011-51620 | BOLT | 28001- | |
| 17 | 01580-11613 | NUT | 28001- | |
| 18 | 202-70-48460 | SPACER, 1.0MM | 28001- | |
| 18 | 203-70-44430 | SPACER, 2.0MM | 28001- | |
| 19 | 203-70-44380 | PIN | 28001- | |
| 20 | 01011-51640 | BOLT | 28001- | |
| 21 | 01580-11613 | NUT | 28001- | |
| 22 | 203-70-24150 | SPACER, 1.0MM | 28001- | |
| 22 | 203-70-24160 | SPACER, 2.0MM | 28001- | |
| 23 | 203-70-44470 | O-RING | 28001- | |
| 24 | 203-70-44380 | PIN | 28001- | |
| 25 | 01011-51670 | BOLT | 28001- | |
| 26 | 01580-11613 | NUT | 28001- |
