
| Item | Part No. | Part Name | Qty | Serial No. |
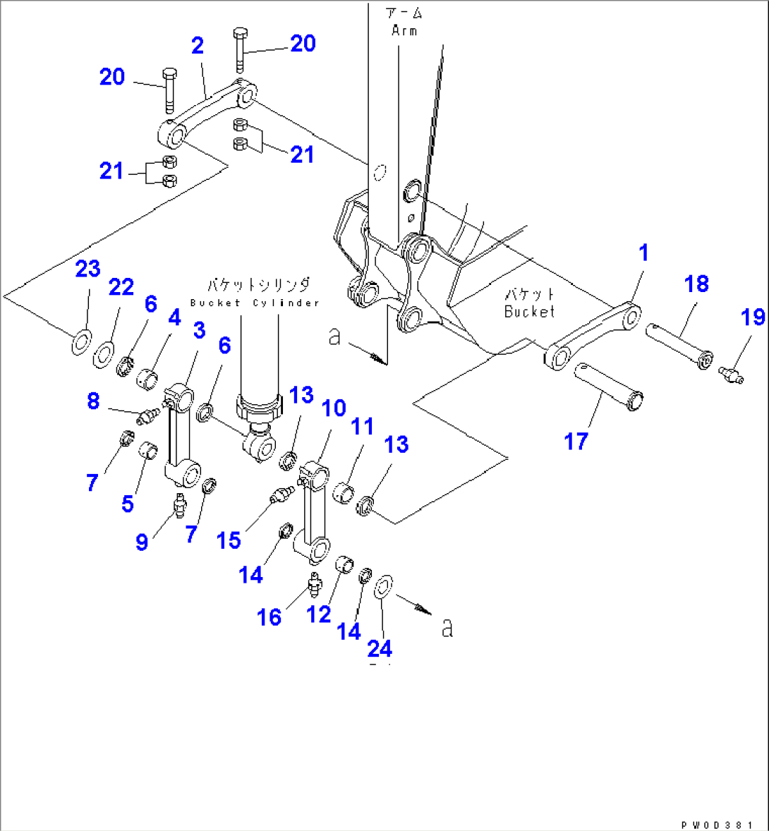
| 1 | 21W-70-44290NK | LINK,L.H. | 26100- | |
| 1 | 21W-70-44290SA | LINK (YELLOW),L.H. | 24112-26099 | |
| 1 | 201-70-64140SA | LINK (YELLOW),L.H. | 22001-24111 | |
| 2 | 21W-70-44280NK | LINK,R.H. | 26100- | |
| 2 | 21W-70-44280SA | LINK (YELLOW),R.H. | 24112-26099 | |
| 2 | 201-70-64130SA | LINK (YELLOW),R.H. | 22001-24111 | |
| 201-70-00823 | LINK ASS'Y,R.H. | 26100- | ||
| 201-70-00822 | LINK ASS'Y,R.H. | 25618-26099 | ||
| 201-70-00821 | LINK ASS'Y,R.H. | 22001-25617 | ||
| 3 | \6\ | LINK (YELLOW),R.H. | 27054- | |
| 3 | \6\ | LINK,R.H. | 26100-27053 | |
| 3 | \6\ | LINK (YELLOW),R.H. | 22001-26099 | |
| 4 | 21W-70-41371 | BUSHING | 25618- | |
| 4 | \0\21W-70-41370 | BUSHING | 22001-25617 | |
| 5 | 21W-70-41381 | BUSHING | 25618- | |
| 5 | \0\21W-70-41380 | BUSHING | 22001-25617 | |
| 6 | 21W-70-41440 | SEAL | 22001- | |
| 7 | 21W-70-41450 | SEAL | 22001- | |
| 8 | 07020-00900 | FITTING,GREASE | 22001- | |
| 9 | 07020-00000 | FITTING,GREASE | 22001- | |
| 201-70-00813 | LINK ASS'Y,L.H. | 26100- | ||
| 201-70-00812 | LINK ASS'Y,L.H. | 25618-26099 | ||
| 201-70-00811 | LINK ASS'Y,L.H. | 22001-25617 | ||
| 10 | \6\ | LINK (YELLOW),L.H. | 27054- | |
| 10 | \6\ | LINK,L.H. | 26100-27053 | |
| 10 | \6\ | LINK (YELLOW),L.H. | 22001-26099 | |
| 11 | 21W-70-41371 | BUSHING | 25618- | |
| 11 | \0\21W-70-41370 | BUSHING | 22001-25617 | |
| 12 | 21W-70-41381 | BUSHING | 25618- | |
| 12 | \0\21W-70-41380 | BUSHING | 22001-25617 | |
| 13 | 21W-70-41440 | SEAL | 22001- | |
| 14 | 21W-70-41450 | SEAL | 22001- | |
| 15 | 07020-00900 | FITTING,GREASE | 22001- | |
| 16 | 07020-00000 | FITTING,GREASE | 22001- | |
| 17 | 21W-70-42170NK | PIN | 26100- | |
| 17 | 21W-70-42170SA | PIN (YELLOW) | 22001-26099 | |
| 18 | 21W-70-42180NK | SHAFT | 26100- | |
| 18 | 21W-70-42180SA | SHAFT (YELLOW) | 22001-26099 | |
| 19 | 07020-00000 | FITTING,GREASE | 22001- | |
| 20 | 01011-81620 | BOLT | 22001- | |
| 21 | 01580-11613 | NUT | 22001- | |
| 22 | 21Y-70-14770 | SPACER, 1.0MM | 22001- | |
| 23 | 21Y-70-14780 | SPACER, 2.0MM | 22001- | |
| 24 | 22C-70-31510 | SPACER, 1.0MM | 22001- |
