
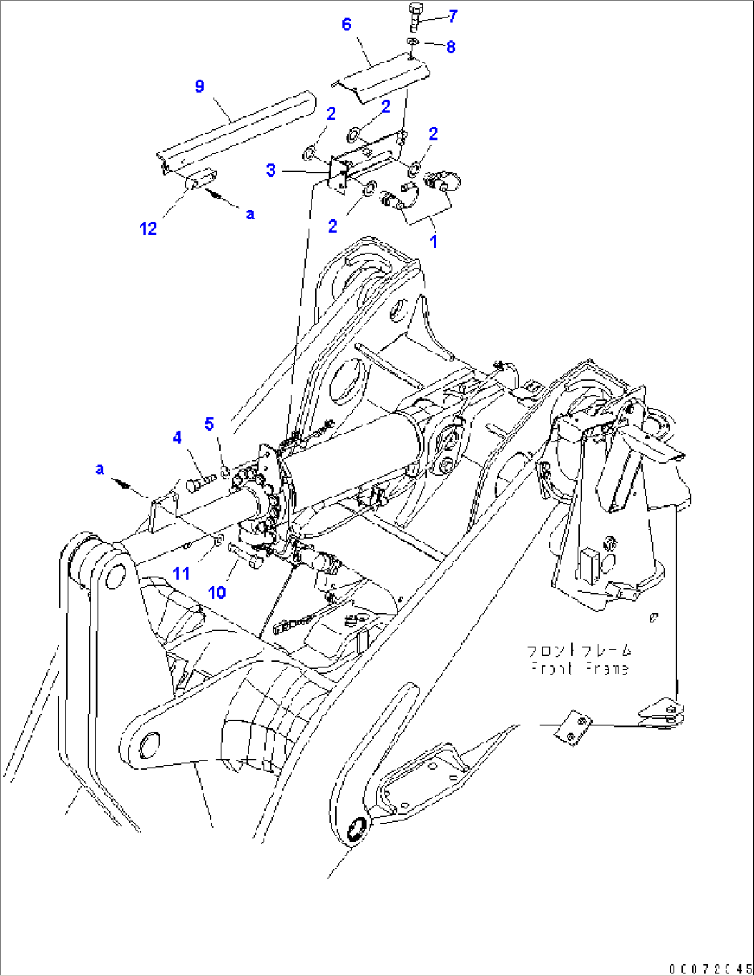
| Item | Part No. | Part Name | Qty | Serial No. |
| 1 | 56B-06-15610 | SWITCH | 70136-70342 | |
| 2 | 418-U77-3650 | WASHER | 70136-70342 | |
| 3 | 417-U77-4410 | BRACKET | 70136-70342 | |
| 4 | 01010-81230 | BOLT | 70136-70342 | |
| 5 | 01643-31232 | WASHER | 70136-70342 | |
| 6 | 418-U77-4480 | PLATE | 70136-70342 | |
| 7 | 01010-81020 | BOLT | 70136-70342 | |
| 8 | 01643-31032 | WASHER | 70136-70342 | |
| 9 | 417-U77-4423 | PLATE | 70136-70342 | |
| 10 | 01010-81270 | BOLT | 70136-70342 | |
| 11 | 01643-31232 | WASHER | 70136-70342 | |
| 12 | 417-U77-4442 | BLOCK | 70136-70342 |
