
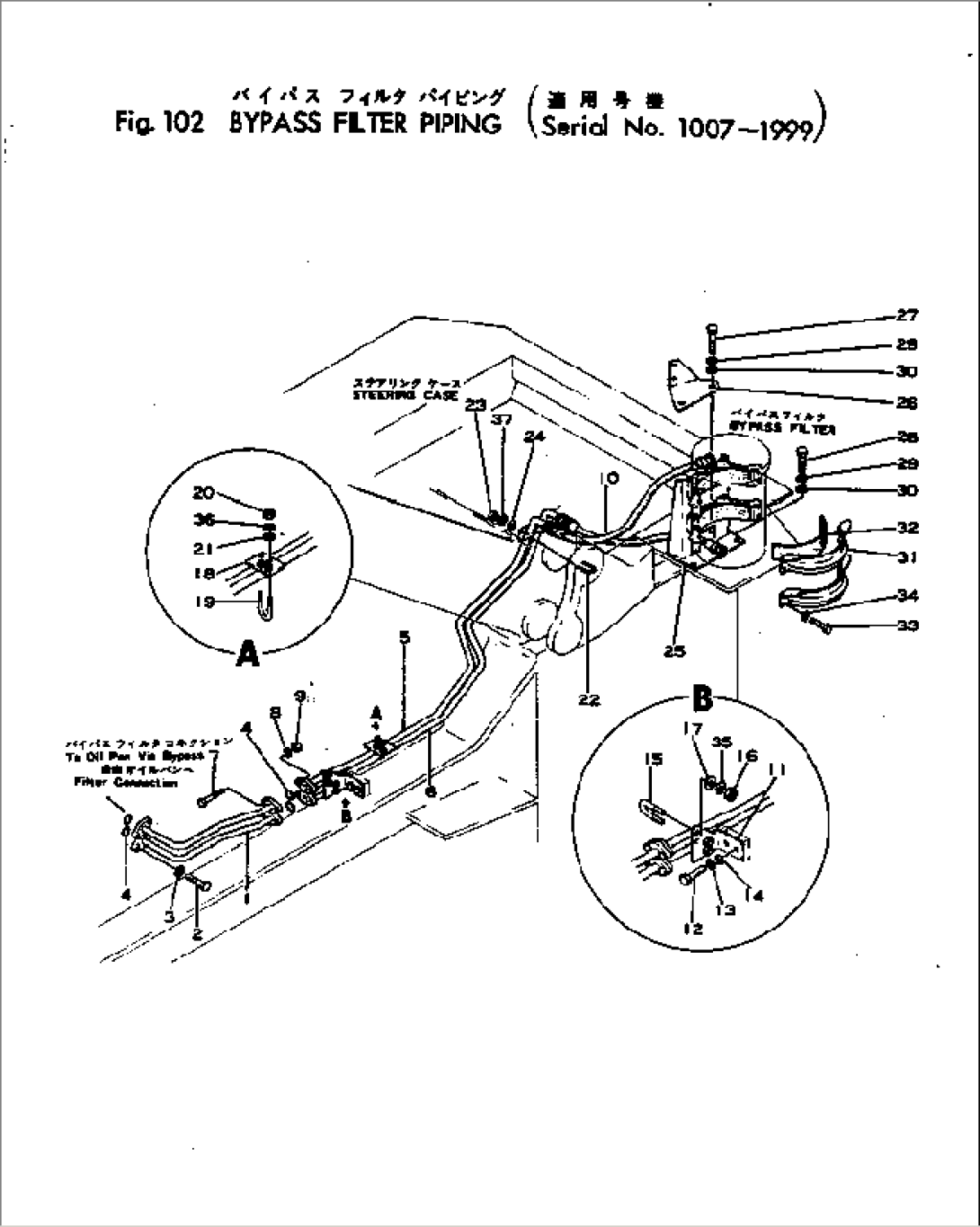
| Item | Part No. | Part Name | Qty | Serial No. |
| 1 | 135-01-11311 | TUBE | 1007-1999 | |
| 2 | 01040-31030 | BOLT | 1007-1999 | |
| 3 | 01602-01030 | WASHER | 1007-1999 | |
| 4 | 07000-03022 | O-RING | 1007-1999 | |
| 5 | 135-01-11321 | TUBE | 1007-1999 | |
| 6 | 135-01-11331 | TUBE | 1007-1999 | |
| 7 | 01040-31040 | BOLT | 1007-1999 | |
| 8 | 01602-01030 | WASHER | 1007-1999 | |
| 9 | 01503-31008 | NUT | 1007-1999 | |
| 10 | 6676-51-9430 | HOSE ASS'Y | 1007-1999 | |
| 11 | 135-01-11351 | BRACKET | 1007-1999 | |
| 12 | 01040-31025 | BOLT | 1007-1999 | |
| 13 | 01602-01030 | WASHER | 1007-1999 | |
| 14 | 01643-01032 | WASHER | 1007-1999 | |
| 15 | 135-01-11360 | U-BOLT | 1007-1999 | |
| 16 | 01554-00809 | NUT | 1022-1999 | |
| \0\01500-30807 | NUT | 1007-1021 | ||
| 17 | 145-60-36660 | WASHER | 1007-1999 | |
| 18 | 135-01-11410 | BRACKET | 1007-1999 | |
| 19 | 135-01-11360 | U-BOLT | 1007-1999 | |
| 20 | 01554-00809 | NUT | 1022-1999 | |
| \0\01500-30807 | NUT | 1007-1021 | ||
| 21 | 145-60-36660 | WASHER | 1007-1999 | |
| 22 | 135-01-11360 | U-BOLT | 1007-1999 | |
| 23 | 01554-00809 | NUT | 1022-1999 | |
| \0\01500-30807 | NUT | 1007-1021 | ||
| 24 | 145-60-36660 | WASHER | 1007-1999 | |
| 25 | 135-01-11391 | BRACKET | 1007-1999 | |
| 26 | 135-60-16490 | BRACKET | 1007-1999 | |
| 27 | 01040-31240 | BOLT | 1007-1999 | |
| 28 | 01040-31235 | BOLT | 1007-1999 | |
| 29 | 01602-01236 | WASHER | 1007-1999 | |
| 30 | 01643-01232 | WASHER | 1007-1999 | |
| 31 | 6675-81-8510 | BAND | 1007-1999 | |
| 32 | 6675-81-8520 | BAND | 1007-1999 | |
| 33 | 01000-30860 | BOLT | 1007-1999 | |
| 34 | 01602-00825 | WASHER | 1007-1999 | |
| 35 | 01602-00825 | WASHER | 1007-1021 | |
| 36 | 01602-00825 | WASHER | 1007-1021 | |
| 37 | 01602-00825 | WASHER | 1007-1021 |
