
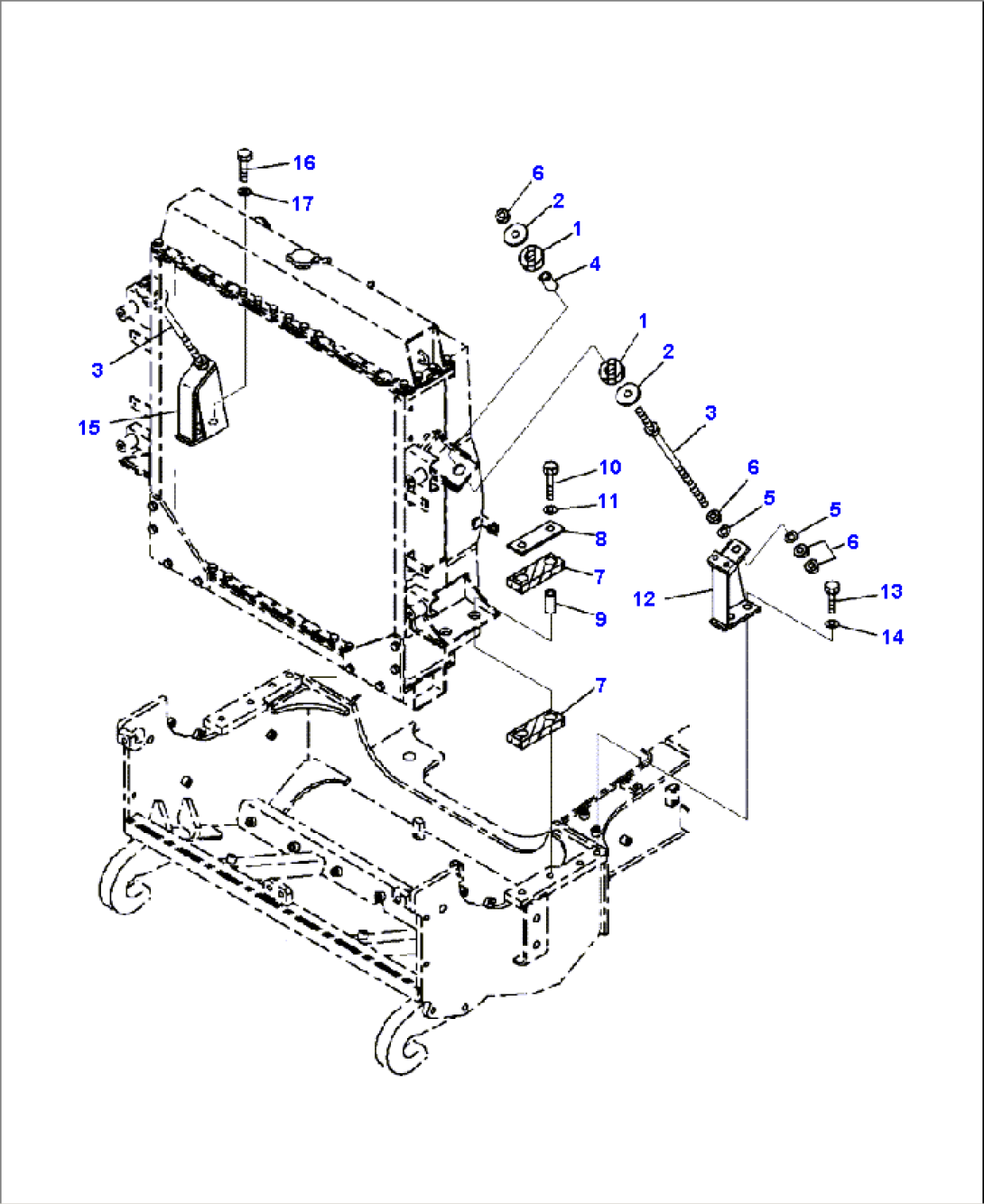
| Item | Part No. | Part Name | Qty | Serial No. |
| 1 | 285-03-11160 | CUSHION | A11001-- | |
| 2 | 285-03-11170 | PLATE | A11001-- | |
| 3 | 569-03-42340 | ROD | A11001-- | |
| 4 | 283-04-12330 | SPACER | A11001-- | |
| 5 | 01643-31645 | WASHER | A11001-- | |
| 6 | 01582-11613 | NUT | A11001-- | |
| 7 | 285-03-11120 | CUSHION | A11001-- | |
| 8 | 285-03-11140 | PLATE | A11001-- | |
| 9 | 285-03-11150 | SPACER | A11001-- | |
| 10 | 01010-81680 | BOLT | A11001-- | |
| 11 | 01643-31645 | WASHER | A11001-- | |
| 12 | 56D-03-21710 | BRACKET | A11001-- | |
| 13 | 01010-81630 | BOLT | A11001-- | |
| 14 | 01643-31645 | WASHER | A11001-- | |
| 15 | 56D-03-11721 | BRACKET | A11001-- | |
| 16 | 01010-81630 | BOLT | A11001-- | |
| 17 | 01643-31645 | WASHER | A11001-- |
