
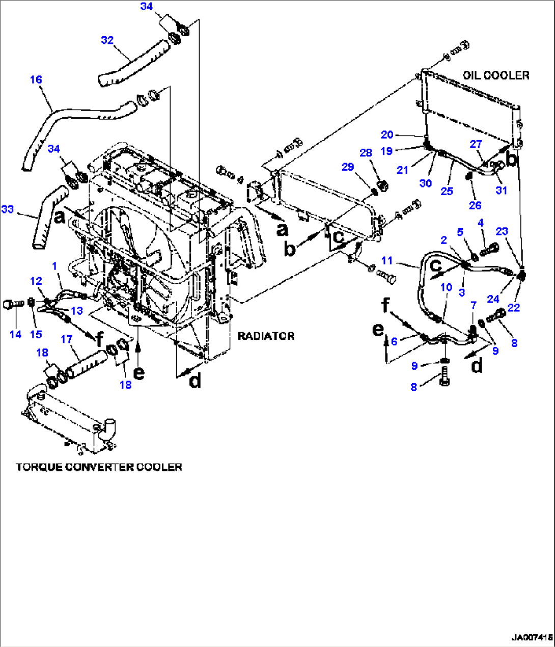
| Item | Part No. | Part Name | Qty | Serial No. |
| 1 | 423-62-51830 | HOSE | ||
| 2 | 04434-53212 | CLIP | ||
| 3 | 07095-20523 | CUSHION | ||
| 4 | 01010-81025 | BOLT | ||
| 5 | 01643-31032 | WASHER | ||
| 6 | 02896-11015 | O-RING | ||
| 7 | 423-62-51850 | TUBE | ||
| 8 | 01010-81020 | BOLT | ||
| 9 | 01643-31032 | WASHER | ||
| 10 | 02896-11015 | O-RING | ||
| 11 | 423-62-51860 | HOSE | ||
| 12 | 04434-53212 | CLIP | ||
| 13 | 07095-20523 | CUSHION | ||
| 14 | 01010-81025 | BOLT | ||
| 15 | 01643-31032 | WASHER | ||
| 16 | 423-03-51310 | HOSE | ||
| 17 | 423-03-51330 | HOSE | ||
| 18 | 07289-00070 | CLAMP | ||
| 19 | 02782-10522 | ELBOW | ||
| 20 | 07002-12434 | O-RING | ||
| 21 | 02896-11015 | O-RING | ||
| 22 | 02782-10522 | ELBOW | ||
| 23 | 07002-12434 | O-RING | ||
| 24 | 02896-11015 | O-RING | ||
| 25 | 423-03-52750 | TUBE | ||
| 26 | 07283-32236 | CLIP, PIPE | ||
| 27 | 07283-52232 | SEAT | ||
| 28 | 01597-01009 | NUT | ||
| 29 | 01643-31032 | WASHER | ||
| 30 | 02896-11015 | O-RING | ||
| 31 | 07002-12434 | O-RING | ||
| 32 | 423-03-51210 | HOSE | ||
| 33 | 423-03-51220 | HOSE | ||
| 34 | 07299-00070 | CLAMP |
