
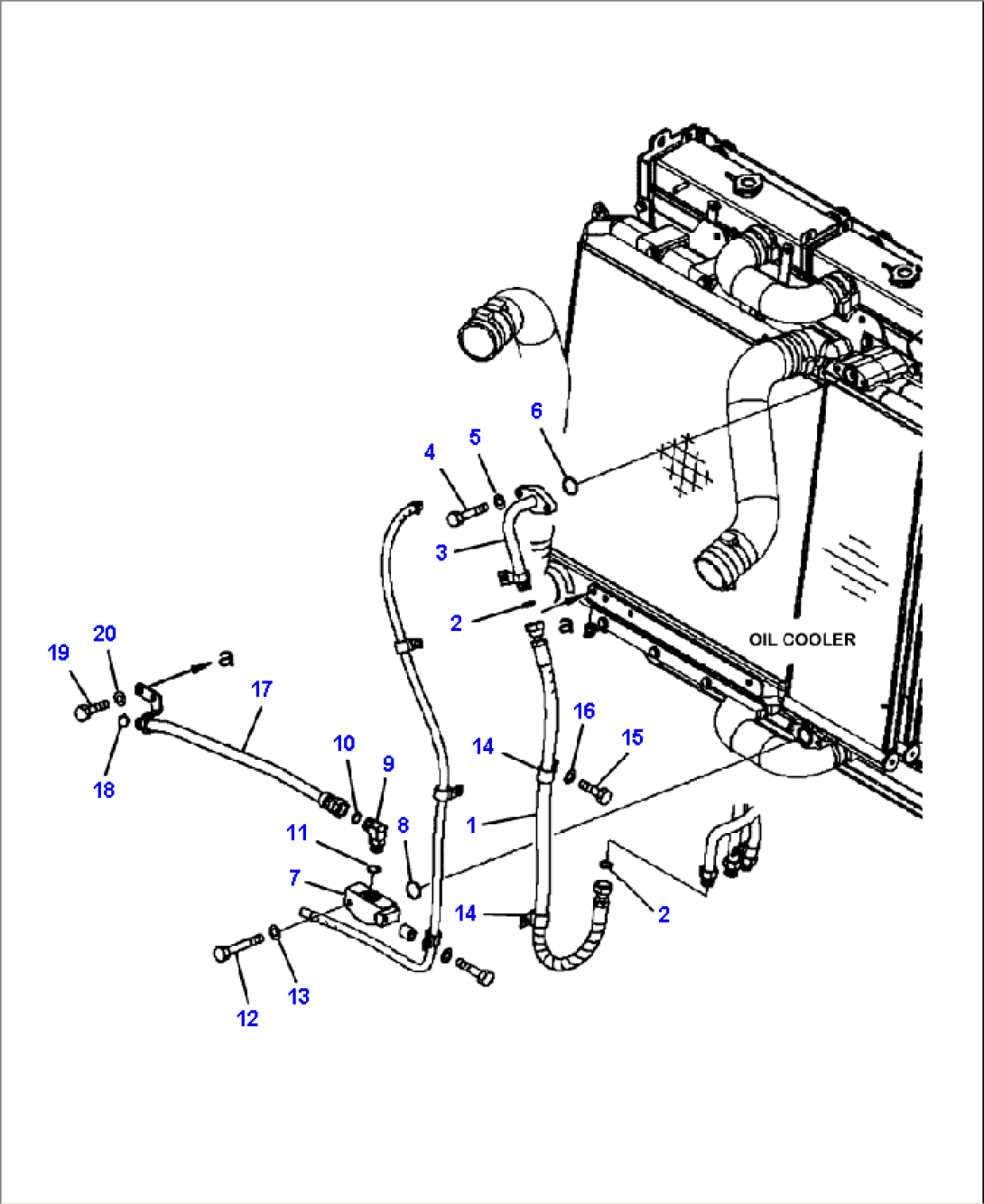
| Item | Part No. | Part Name | Qty | Serial No. |
| 1 | 421-62-41260 | HOSE, 110 MM | A47001-- | |
| 2 | 02896-11015 | O-RING | A47001-- | |
| 3 | 421-62-44740 | TUBE | A47001-- | |
| 4 | 01010-81040 | BOLT | A47001-- | |
| 5 | 01643-31032 | WASHER | A47001-- | |
| 6 | 07000-13035 | O-RING | A47001-- | |
| 7 | 421-62-41190 | BLOCK | A47001-- | |
| 8 | 07000-13035 | O-RING | A47001-- | |
| 9 | 02782-10516 | ELBOW | A47001-- | |
| 10 | 02896-11015 | O-RING | A47001-- | |
| 11 | 07002-12034 | O-RING | A47001-- | |
| 12 | 01010-81060 | BOLT | A47001-- | |
| 13 | 01643-31032 | WASHER | A47001-- | |
| 14 | 04434-52512 | CLIP | A47001-- | |
| 15 | 01010-81020 | BOLT | A47001-- | |
| 16 | 01643-31032 | WASHER | A47001-- | |
| 17 | 421-62-41220 | TUBE | A47001-- | |
| 18 | 02896-11015 | O-RING | A47001-- | |
| 19 | 01010-81025 | BOLT | A47001-- | |
| 20 | 01643-31032 | WASHER | A47001-- |
