
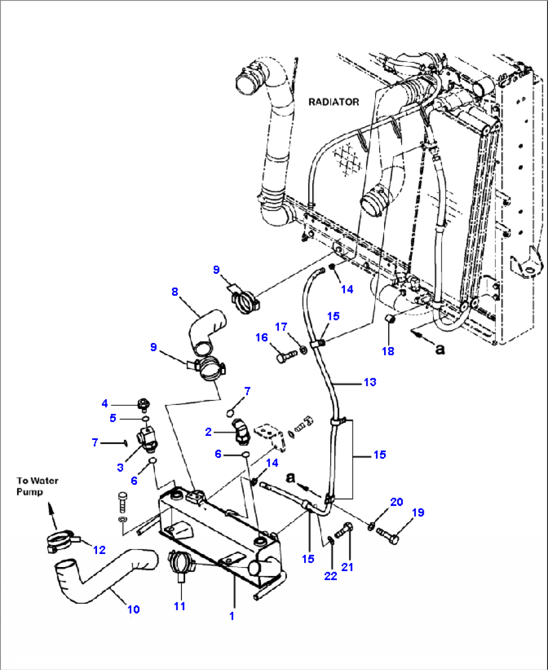
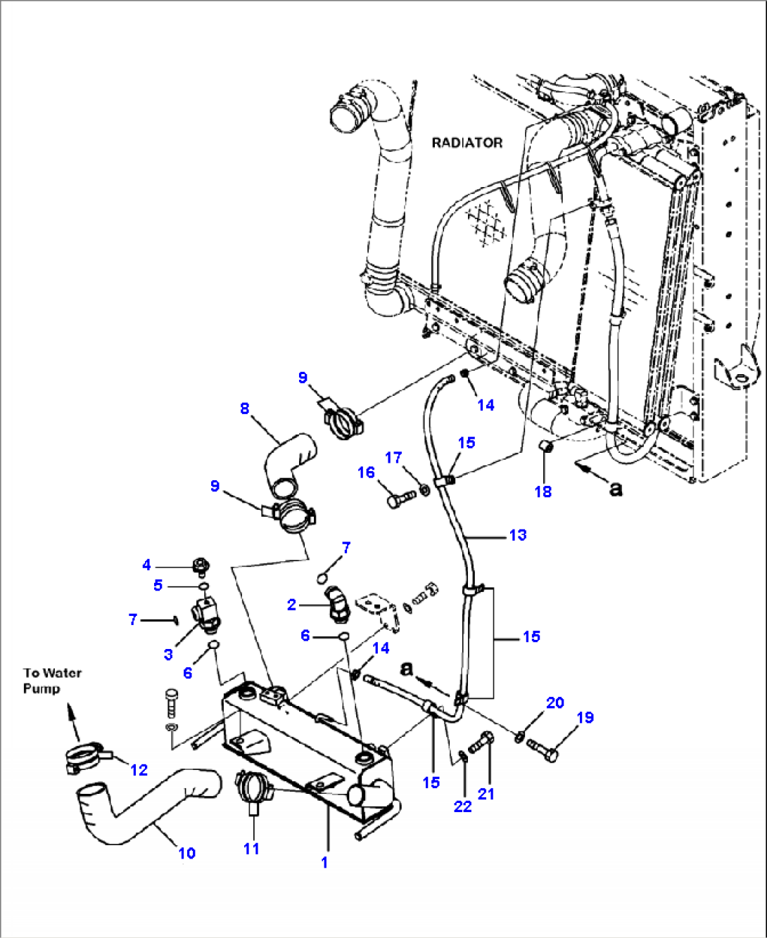
| Item | Part No. | Part Name | Qty | Serial No. |
| 1 | 421-16-45160 | COOLER | A48001-- | |
| 2 | 21W-62-42640 | ELBOW | A48001-- | |
| 3 | 421-03-42230 | ELBOW | A48001-- | |
| 4 | 708-8E-16150 | PLUG | A48001-- | |
| 5 | 07002-11023 | O-RING | A48001-- | |
| 6 | 07002-23334 | O-RING | A48001-- | |
| 7 | 421-09-31140 | O-RING | A48001-- | |
| 8 | 421-03-42250 | HOSE | A48001-- | |
| 9 | 07289-00070 | CLAMP | A48001-- | |
| 10 | 421-03-32132 | HOSE | A48001-- | |
| 11 | 07289-00070 | CLAMP | A48001-- | |
| 12 | 07289-00080 | CLAMP | A48001-- | |
| 13 | 421-16-41180 | HOSE, 1560 MM | A48001-- | |
| 14 | 11Y-09-11140 | CLIP | A48001-- | |
| 15 | 04434-52312 | CLIP | A48001-- | |
| 16 | 01010-81020 | BOLT | A48001-- | |
| 17 | 01643-31032 | WASHER | A48001-- | |
| 18 | 195-33-11220 | SPACER | A48001-- | |
| 19 | 01010-81045 | BOLT | A48001-- | |
| 20 | 01643-31032 | WASHER | A48001-- | |
| 21 | 01010-81016 | BOLT | A48001-- | |
| 22 | 01643-31032 | WASHER | A48001-- |
