
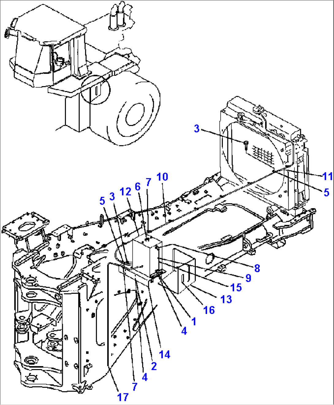
| Item | Part No. | Part Name | Qty | Serial No. |
| 1 | 01010-81225 | BOLT | A50001-- | |
| 2 | 01010-81230 | BOLT | A50001-- | |
| 3 | 01435-01016 | BOLT | A50001-- | |
| 4 | 01643-31232 | WASHER | A50001-- | |
| 5 | 04434-51210 | CLIP | A50001-- | |
| 6 | 07093-20000 | CAP | A50017-- | |
| OR | ||||
| 6 | 07053-10000 | CAP | A50001-50016- | |
| 7 | 07281-10137 | CLAMP | A50001-- | |
| 8 | 208-04-19130 | ELBOW | A50001-- | |
| 9 | 208-04-19160 | FLOAT, BALL | A50001-- | |
| 10 | 426-Z84-3850 | HOSE | A50001-- | |
| 11 | 426-Z84-3870 | JOINT | A50001-- | |
| 12 | 427-03-22350 | TANK | A50001-- | |
| 13 | 427-03-22360 | COVER | A50001-- | |
| 14 | 427-03-22370 | BRACKET | A50001-- | |
| 15 | 427-03-22380 | HOSE | A50001-- | |
| 16 | PLATE (SEE FIG. U0100-01A0 ) | A50001-- | ||
| 17 | 427-03-22480 | HOSE | A50001-- |
