
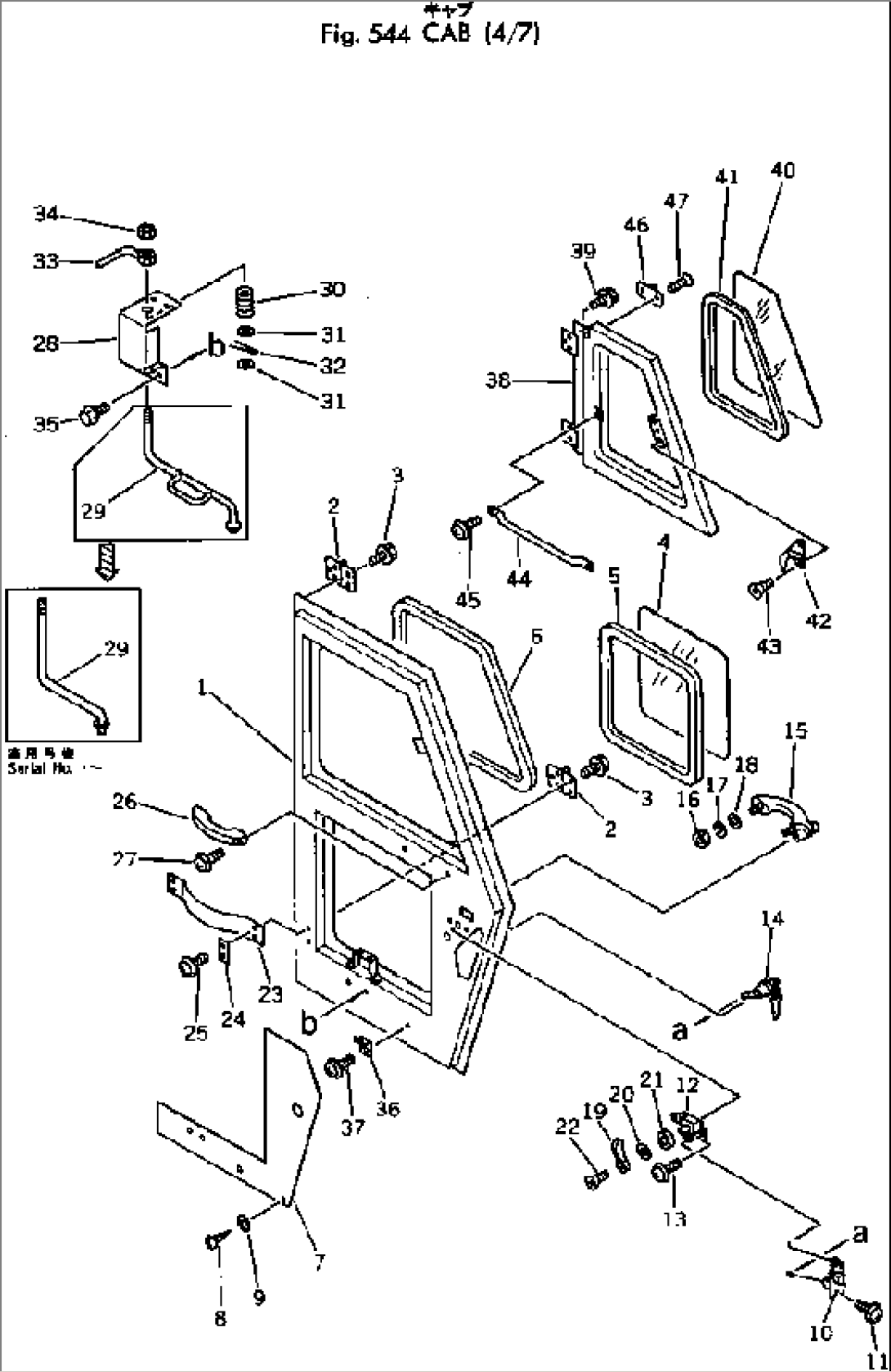
| Item | Part No. | Part Name | Qty | Serial No. |
| (385-10303611) | CAB KIT | 10001- | ||
| (385-10313901) | CAB ASS'Y | 10001- | ||
| 385-10309892 | DOOR ASS'Y,L.H. | .- | ||
| \0\385-10309891 | DOOR ASS'Y,L.H. | 10001-. | ||
| 1 | 385-10370932 | DOOR ASS'Y | .- | |
| \0\385-10370931 | DOOR ASS'Y | 10001-. | ||
| 2 | 385-10087871 | HINGE | 10001- | |
| 3 | 385-10369581 | BOLT | 10001- | |
| 4 | 385-10342621 | GLASS | 10001- | |
| 5 | 385-10342631 | STRIP | 10001- | |
| 6 | 385-10310251 | SEAL | 10001- | |
| 7 | 385-10310302 | PAD | .- | |
| \0\385-10310301 | PAD | 10001-. | ||
| 8 | 385-10084771 | SCREW | 10001- | |
| 9 | 385-10084781 | WASHER | 10001- | |
| 10 | 385-10126021 | LOCK | 10001- | |
| 11 | 385-10345271 | SCREW | 10001- | |
| 12 | 385-10087981 | CONTROL ASS'Y,REMOTE | 10001- | |
| 13 | 385-10344461 | SCREW | 10001- | |
| 14 | 385-10126031 | KEY ASS'Y | 10001- | |
| 15 | 385-10370951 | HANDLE | 10001- | |
| 16 | 01580-10504 | NUT | 10001- | |
| 17 | 01601-20513 | WASHER | 10001- | |
| 18 | 01641-20508 | WASHER | 10001- | |
| 19 | 381-980874-1 | HANDLE | 10001- | |
| 20 | 381-974942-1 | ESCUTCHEON | 10001- | |
| 21 | 381-974944-1 | BASE | 10001- | |
| 22 | 385-10345261 | SCREW | 10001- | |
| 23 | 385-10310331 | BELT | 10001- | |
| 24 | 385-10345301 | PLATE | 10001- | |
| 25 | 385-10344491 | SCREW | 10001- | |
| 26 | 385-10345341 | HANDLE | 10001- | |
| 27 | 385-10344421 | SCREW | 10001- | |
| 385-10398471 | LOCK ASS'Y | .- | ||
| 385-10310341 | LOCK ASS'Y | 10001-. | ||
| 28 | 385-10310361 | BRACKET | 10001- | |
| 29 | 385-10398491 | ROD | .- | |
| 385-10310371 | ROD | 10001-. | ||
| 30 | 385-10310391 | SPRING | 10001- | |
| 31 | 385-10360801 | WASHER | 10001- | |
| 32 | 04050-13020 | PIN | 10001- | |
| 33 | 385-10310401 | HANDLE | 10001- | |
| 34 | 385-10310411 | NUT | 10001- | |
| 35 | 385-10369581 | BOLT | 10001- | |
| 36 | 385-10310421 | HOOK | 10001- | |
| 37 | 385-10344451 | SCREW | 10001- | |
| 38 | 385-10310991 | VENT ASS'Y | 10001- | |
| 39 | 385-10369581 | BOLT | 10001- | |
| 40 | 385-10310231 | GLASS | 10001- | |
| 41 | 385-10309531 | STRIP | 10001- | |
| 42 | 385-10310281 | HANDLE | 10001- | |
| 43 | 385-10345261 | SCREW | 10001- | |
| 44 | 385-10310271 | STAY | 10001- | |
| 45 | 385-10344481 | SCREW | 10001- | |
| 46 | 385-10368541 | STRIKER | 10001- | |
| 47 | 385-10345281 | SCREW | 10001- |
