
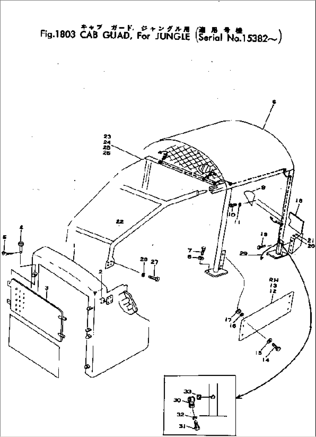
| Item | Part No. | Part Name | Qty | Serial No. |
| 1 | 154-55-15141 | GUARD | 18267-24999 | |
| 1 | 154-55-15140 | GUARD | 15382-18266 | |
| 2 | 154-61-12811 | BRACKET (WELDED) | 15382-24999 | |
| 3 | 154-55-15420 | GRILLE | 15382-24999 | |
| 4 | 145-963-3240 | PIN | 15382-24999 | |
| 5 | 04050-05035 | PIN | 15382-24999 | |
| 6 | 154-91-21111 | GUARD | 15382-24999 | |
| 7 | 01010-31445 | BOLT | 15382-24999 | |
| 8 | 01602-01442 | WASHER | 15382-24999 | |
| 9 | 150-91-13150 | BRACKET | 15382-24999 | |
| 10 | 01010-31430 | BOLT | 15382-24999 | |
| 11 | 01602-01442 | WASHER | 15382-24999 | |
| 12 | 154-91-21160 | COVER,L.H. | 15382-24999 | |
| 13 | 154-91-21170 | COVER,R.H. | 15382-24999 | |
| 14 | 01010-31230 | BOLT | 15382-24999 | |
| 15 | 01642-01216 | WASHER | 15382-24999 | |
| 16 | 01602-01236 | WASHER | 15382-24999 | |
| 17 | 01580-01210 | NUT | 15382-24999 | |
| 18 | 154-91-21130 | COVER | 15382-24999 | |
| 19 | 01010-31230 | BOLT | 15382-24999 | |
| 20 | 01602-01236 | WASHER | 15382-24999 | |
| 21 | 01580-01210 | NUT | 15382-24999 | |
| 22 | 154-91-21120 | STAY | 15382-24999 | |
| 23 | 175-821-2150 | PIN | 15382-24999 | |
| 24 | 01640-03045 | WASHER | 15382-24999 | |
| 25 | 01593-03018 | NUT | 15382-24999 | |
| 26 | 04050-06055 | PIN | 15382-24999 | |
| 27 | 01010-31440 | BOLT | 15382-24999 | |
| 28 | 01602-01442 | WASHER | 15382-24999 | |
| 29 | 154-06-14131 | WIRE | 15382-24999 | |
| 30 | 154-06-13760 | CLAMP | 15382-24999 | |
| 31 | 01010-30816 | BOLT | 15382-24999 | |
| 32 | 01602-00825 | WASHER | 15382-24999 | |
| 33 | 154-06-14140 | GROMMET | 15382- |
