
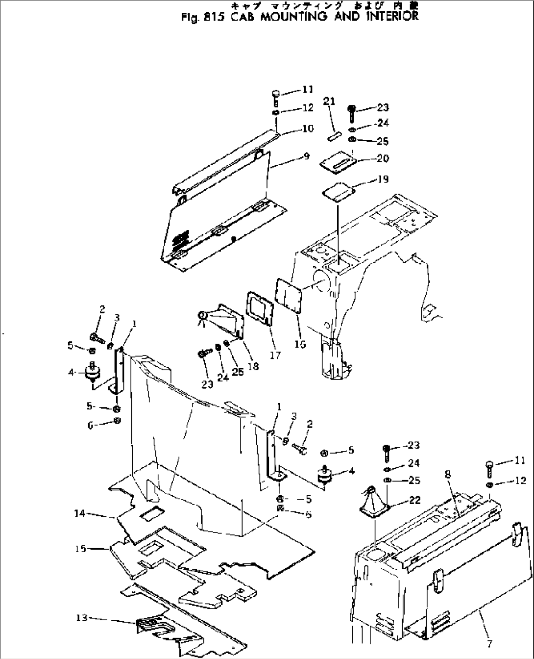
| Item | Part No. | Part Name | Qty | Serial No. |
| 1 | 362-911-1351 | PLATE,L.H. | 1001- | |
| 1 | 362-911-1361 | PLATE,R.H. | 1001- | |
| 2 | 01010-51035 | BOLT | 1001- | |
| 3 | 01643-31032 | WASHER | 1001- | |
| 4 | 362-979-2130 | CUSHION | 1001- | |
| 5 | 01580-01210 | NUT | 1001- | |
| 6 | 01598-01214 | NUT | 1001- | |
| 7 | 362-911-1330 | COVER,L.H. | 1001- | |
| 8 | 362-911-1310 | COVER,L.H. | 1001- | |
| 9 | 362-911-1340 | COVER,R.H. | 1001- | |
| 10 | 362-911-1320 | COVER,R.H. | 1001- | |
| 11 | 01010-50820 | BOLT | 1001- | |
| 12 | 01602-20825 | WASHER | 1001- | |
| 13 | 362-911-1380 | PLATE | 1001- | |
| 14 | 362-911-1420 | MAT | 1001- | |
| 15 | 362-911-1390 | MAT | 1001- | |
| 16 | 362-54-14940 | RUBBER | 1001- | |
| 17 | 362-54-14930 | COVER | 1001- | |
| 18 | 362-54-14950 | BELLOWS | 1001- | |
| 19 | 362-54-14970 | RUBBER | 1001- | |
| 20 | 362-54-14960 | COVER | 1001- | |
| 21 | 362-54-17320 | PLATE, OPERATING | 1001- | |
| 22 | 362-911-1230 | BELLOWS | 1001- | |
| 23 | 205-06-62170 | BOLT | 1001- | |
| 24 | 205-06-62180 | WASHER | 1001- | |
| 25 | 205-06-62190 | WASHER | 1001- |
