
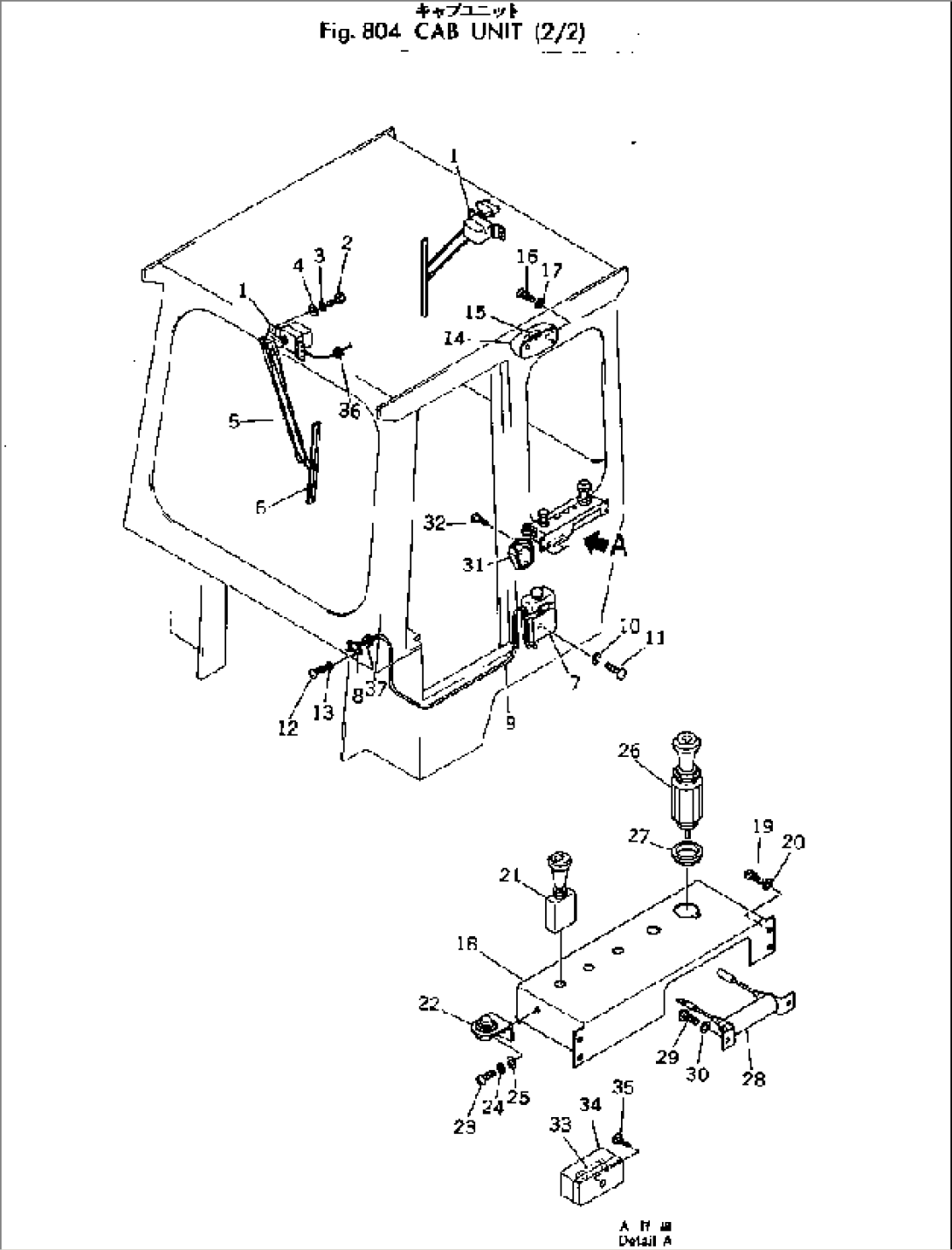
| Item | Part No. | Part Name | Qty | Serial No. |
| (385-10158741) | CAB KIT | 10001- | ||
| 1 | 381-988568-1 | MOTOR ASS'Y | 10001- | |
| 2 | 01010-50616 | BOLT | 10001- | |
| 3 | 01602-20619 | WASHER | 10001- | |
| 4 | 01641-20608 | WASHER | 10001- | |
| 5 | 381-985922-1 | ARM | 10001- | |
| 6 | 381-898195-1 | BLADE | 10001- | |
| 7 | 385-10170061 | WASHER ASS'Y,WINDSHIELD | 10001- | |
| 8 | 385-10125771 | NOZZLE | 10001- | |
| 9 | 385-10170071 | HOSE | 10001- | |
| 10 | 01220-40612 | SCREW | 10001- | |
| 11 | 01602-20619 | WASHER | 10001- | |
| 12 | 01220-40512 | SCREW | 10001- | |
| 13 | 01602-20513 | WASHER | 10001- | |
| 14 | 381-972303-1 | LAMP ASS'Y,ROOM | 10001- | |
| 15 | 381-972511-1 | BULB¤ 10W | 10001- | |
| 16 | 01220-40512 | SCREW | 10001- | |
| 17 | 01602-20513 | WASHER | 10001- | |
| 18 | 385-10169961 | PANEL | 10001- | |
| 19 | 01220-40616 | SCREW | 10001- | |
| 20 | 01602-20619 | WASHER | 10001- | |
| 21 | 381-971390-1 | SWITCH,WIPER | 10001- | |
| 22 | 385-10087701 | SWITCH,WASHER | 10001- | |
| 23 | 01220-40612 | SCREW | 10001- | |
| 24 | 01602-20619 | WASHER | 10001- | |
| 25 | 01641-20608 | WASHER | 10001- | |
| 26 | 385-10082181 | LIGHTER,CIGAR | 10001- | |
| 27 | 385-10085111 | GUIDE | 10001- | |
| 28 | 385-10082191 | RESISTOR | 10001- | |
| 29 | 01220-40616 | SCREW | 10001- | |
| 30 | 01602-20619 | WASHER | 10001- | |
| 31 | 385-10082171 | ASHTRAY | 10001- | |
| 32 | 01224-40412 | SCREW | 10001- | |
| 33 | 08040-03000 | FUSE¤ 30A | 10001- | |
| 34 | 385-10128262 | BOX,FUSE | 10001- | |
| 35 | 01370-00416 | SCREW | 10001- | |
| 36 | 385-10084741 | GROMMET | 10001- | |
| 37 | 385-10171661 | GROMMET | 10001- |
