
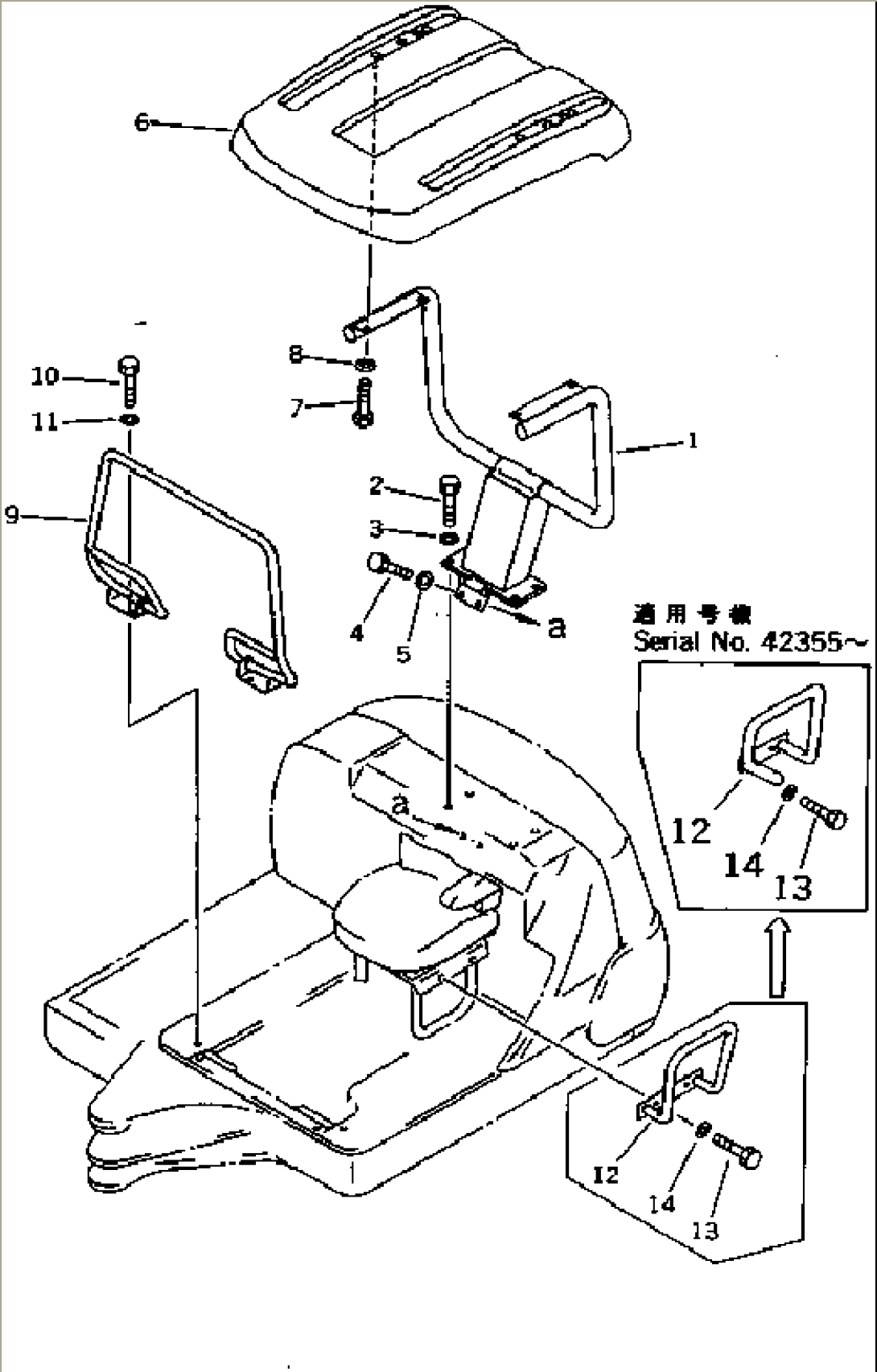
| Item | Part No. | Part Name | Qty | Serial No. |
| 1 | 20N-54-71416 | POLE | 42355- | |
| \0\20N-54-71411 | POLE | 35001-42354 | ||
| 2 | 01010-51645 | BOLT | 35001- | |
| 3 | 01643-31645 | WASHER | 35001- | |
| 4 | 01010-51030 | BOLT | 35001- | |
| 5 | 01643-31032 | WASHER | 35001- | |
| 6 | 20T-54-73121 | ROOF,CANOPY | 35001- | |
| 7 | 01010-51025 | BOLT | 35001- | |
| 8 | 01643-71032 | WASHER | 35001- | |
| 9 | 20N-54-71366 | GUARD | 42355- | |
| 20N-54-71361 | GUARD | 35001-42354 | ||
| 10 | 01010-51025 | BOLT | 35001- | |
| 11 | 01643-31032 | WASHER | 35001- | |
| 12 | 20N-54-71656 | STAY | 42355- | |
| \9\20N-54-71651 | STAY | 39465-42354 | ||
| 20N-54-71650 | STAY | 35001-39464 | ||
| 13 | 01010-51025 | BOLT | 35001- | |
| 14 | 01643-31032 | WASHER | 35001- |
