
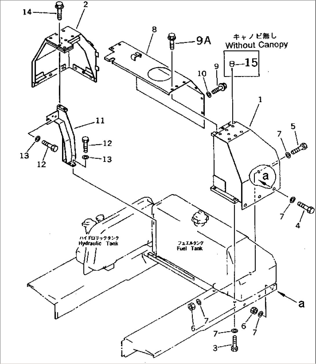
| Item | Part No. | Part Name | Qty | Serial No. |
| 1 | 144-Y06-1161 | BRACKET,L.H. (FOR CANOPY) | 83050-83202 | |
| 144-Y06-1160 | BRACKET,L.H. (FOR CANOPY) | 83001-83049 | ||
| 144-Y73-1211 | BRACKET,L.H. (FOR HEAD GUARD) | 83050-83202 | ||
| 144-Y73-1210 | BRACKET,L.H. (FOR HEAD GUARD) | 83001-83049 | ||
| 2 | 144-Y06-1171 | BRACKET,R.H. (FOR CANOPY) | 83050-83202 | |
| 144-Y06-1170 | BRACKET,R.H. (FOR CANOPY) | 83001-83049 | ||
| 130-Y73-1110 | BRACKET,R.H. (FOR HEAD GUARD) | 83001-83202 | ||
| 3 | 01010-52040 | BOLT | 83001-83202 | |
| 4 | 01010-52060 | BOLT | 83001-83202 | |
| 5 | 01010-52070 | BOLT | 83001-83202 | |
| 6 | 01580-12016 | NUT | 83001-83202 | |
| 7 | 01643-32060 | WASHER | 83001-83202 | |
| 8 | 144-Y06-1182 | COVER | 83071-83202 | |
| 144-Y06-1181 | COVER | 83050-83070 | ||
| 144-Y06-1180 | COVER | 83001-83049 | ||
| 9 | 01439-01230 | BOLT | 83018-83202 | |
| 01439-01230 | BOLT | 83001-83017 | ||
| 9A | 01439-01225 | BOLT | 83018-83202 | |
| 10 | 01643-31232 | WASHER | 83001-83202 | |
| 11 | 130-Y06-1260 | BRACKET | 83001-83202 | |
| 12 | 01010-51230 | BOLT | 83001-83202 | |
| 13 | 01643-31232 | WASHER | 83001-83202 | |
| 14 | 01439-01230 | BOLT | 83001-83202 | |
| 15 | 07049-01620 | PLUG,(WITHOUT CANOPY) | 83001-83202 |
