
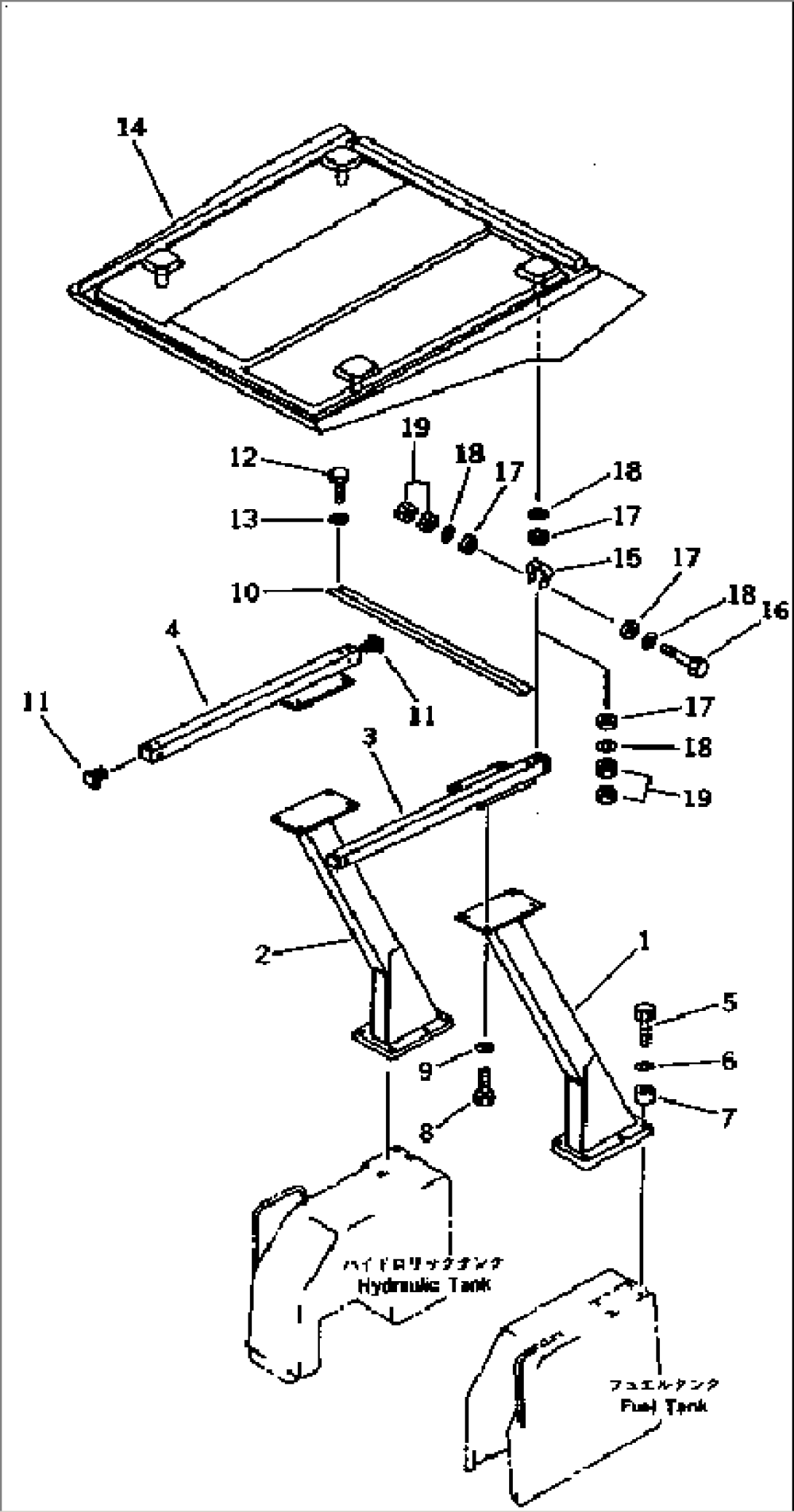
| Item | Part No. | Part Name | Qty | Serial No. |
| 1 | 113-X06-1530 | POLE,L.H. | 60889- | |
| 2 | 113-X06-1520 | POLE,R.H. | 60889- | |
| 3 | 113-X06-1550 | SUPPORT,L.H. | 60889- | |
| 4 | 113-X06-1540 | SUPPORT,R.H. | 60889- | |
| 5 | 01010-51045 | BOLT | 60533- | |
| 6 | 01602-21030 | WASHER,SPRING | 60533- | |
| 7 | 103-Y06-1140 | BOSS | 60533- | |
| 8 | 01010-51020 | BOLT | 60889- | |
| 9 | 01643-31032 | WASHER | 60889- | |
| 10 | 113-X06-1560 | BAR | 60889- | |
| 11 | 113-X06-1570 | BRACKET | 60889- | |
| 12 | 01010-51225 | BOLT | 60889- | |
| 13 | 01643-31232 | WASHER | 60889- | |
| 14 | 113-X06-1510 | ROOF | 60889- | |
| 15 | 417-54-18260 | BELT,BAND | 60889- | |
| 16 | 01011-51215 | BOLT | 60889- | |
| 17 | 417-54-18270 | CUSHION | 60889- | |
| 18 | 417-54-18240 | WASHER | 60889- | |
| 19 | 01580-11210 | NUT | 60889- |
