
| Item | Part No. | Part Name | Qty | Serial No. |
| 233-55-00014 | CAB ASS'Y | 4001- | ||
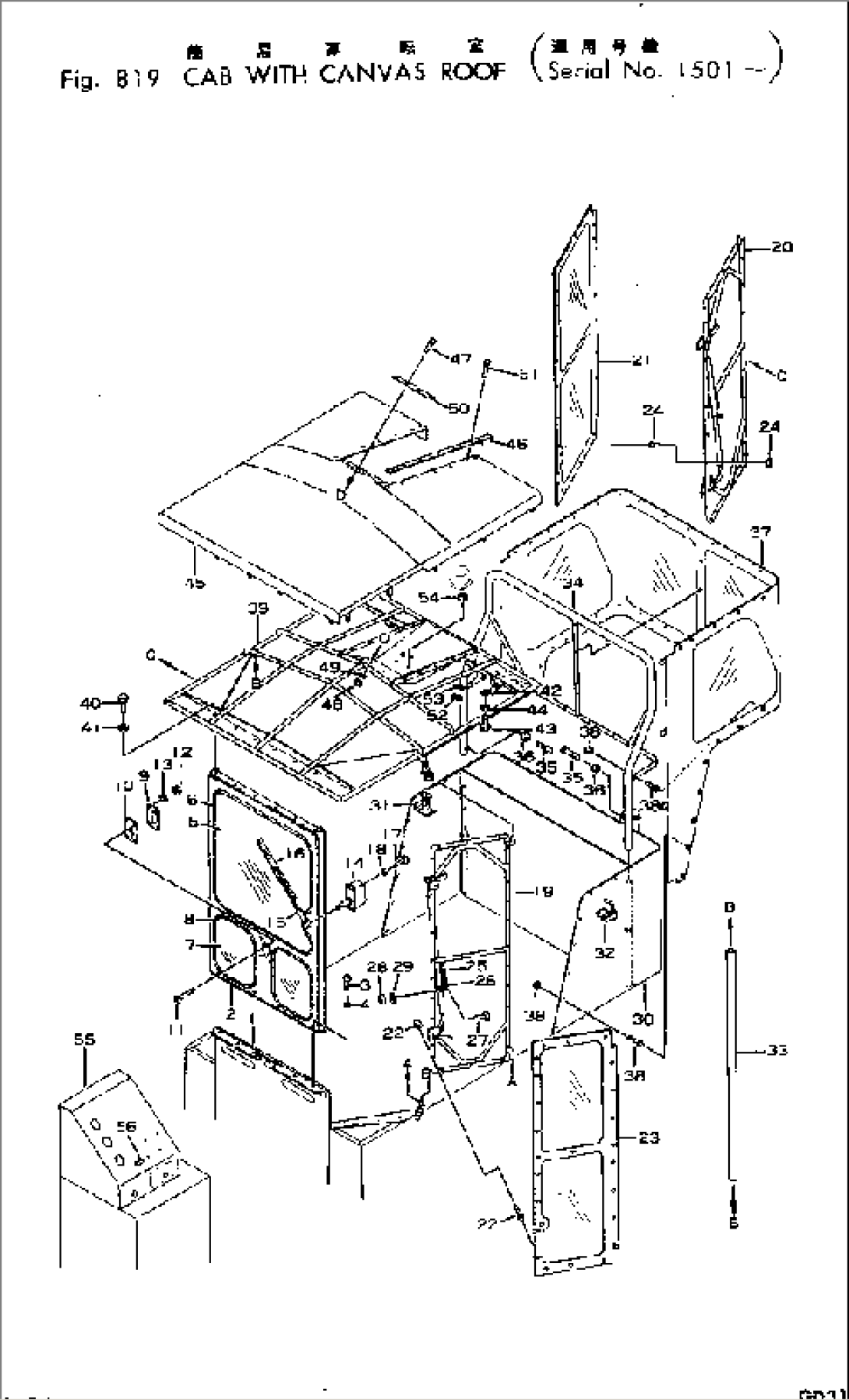
| 1 | 233-55-12123 | FRAME | 4001- | |
| 1 | 01580-01008 | NUT (WELDED) | 4001- | |
| 2 | 232-55-12114 | SHIELD | 4001- | |
| 2 | 01580-01008 | NUT (WELDED) | 4001- | |
| 3 | 01010-51025 | BOLT | 4001- | |
| 4 | 01602-21030 | WASHER | 4001- | |
| 5 | 232-55-11512 | GLASS | .- | |
| 5 | \0\232-55-11511 | GLASS | 4001-. | |
| 6 | 09410-00320 | STRIP | 4001- | |
| 7 | 232-55-11522 | GLASS | .- | |
| 7 | \0\232-55-11521 | GLASS | 4001-. | |
| 8 | 09410-00142 | STRIP | 4001- | |
| 9 | 232-55-12241 | PLATE | 4001- | |
| 10 | 232-55-12251 | SEAT | 4001- | |
| 11 | 01210-50616 | SCREW | 4001- | |
| 12 | 01580-10605 | NUT | 4001- | |
| 13 | 01601-20619 | WASHER | 4001- | |
| 14 | 08180-02480 | WIPER MOTOR ASS'Y | 4001- | |
| 15 | 08184-00550 | ARM | 4001- | |
| 16 | 08185-00350 | BLADE | 4001- | |
| 17 | 01210-50616 | SCREW | 4001- | |
| 18 | 01601-20619 | WASHER | 4001- | |
| 19 | 232-55-12142 | DOOR | 4001- | |
| 19 | 01641-21016 | WASHER (WELDED) | 4001- | |
| 19 | 01642-21216 | WASHER (WELDED) | 4001- | |
| 20 | 232-55-12152 | DOOR | 4001- | |
| 20 | 01641-21016 | WASHER (WELDED) | 4001- | |
| 20 | 01642-21216 | WASHER (WELDED) | 4001- | |
| 21 | 232-55-12211 | SHEET | 4001- | |
| 22 | 232-55-12261 | HOOK | 4001- | |
| 23 | 232-55-12221 | SHEET | 4001- | |
| 24 | 232-55-12261 | HOOK | 4001- | |
| 25 | 232-55-12330 | SPRING | 4001- | |
| 26 | 232-55-12340 | CLAMP | 4001- | |
| 27 | 01010-50616 | BOLT | 4001- | |
| 28 | 01580-10605 | NUT | 4001- | |
| 29 | 01601-20619 | WASHER | 4001- | |
| 30 | 232-55-12182 | FRAME | 4001- | |
| 31 | 232-55-12280 | LOCK | 4001- | |
| 32 | 232-55-12290 | LOCK | 4001- | |
| 33 | 232-55-12162 | POLE | 4001- | |
| 34 | 232-55-12133 | POLE | 4001- | |
| 34 | 01580-01210 | NUT (WELDED) | 4001- | |
| 35 | 01016-51235 | BOLT | 4001- | |
| 36 | 01580-11210 | NUT | 4001- | |
| 37 | 232-55-12233 | SHEET | 4001- | |
| 38 | 232-55-12261 | HOOK | 4001- | |
| 39 | 232-55-12122 | ROOF | 4001- | |
| 40 | 01010-31025 | BOLT | 4001- | |
| 41 | 01602-01030 | WASHER | 4001- | |
| 42 | 131-906-1150 | CLIP | 4001- | |
| 43 | 01010-51430 | BOLT | 4001- | |
| 44 | 01602-21442 | WASHER | 4001- | |
| 45 | 232-55-12192 | SHEET | 4001- | |
| 46 | 232-55-12270 | PLATE | 4001- | |
| 47 | 01210-50430 | SCREW | 4001- | |
| 48 | 01580-10403 | NUT | 4001- | |
| 49 | 01601-20410 | WASHER | 4001- | |
| 50 | 232-55-12320 | PLATE | 4001- | |
| 51 | 01210-50430 | SCREW | 4001- | |
| 52 | 01580-10403 | NUT | 4001- | |
| 53 | 01601-20410 | WASHER | 4001- | |
| 54 | 232-55-12310 | SEAT | 4001- | |
| 56 | 08183-00000 | SWITCH | .- | |
| 56 | 08060-00000 | SWITCH | 4001-. |
