
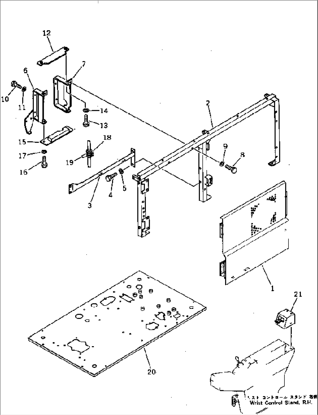
| Item | Part No. | Part Name | Qty | Serial No. |
| 1 | 205-978-7350 | DOOR | 20001-@ | |
| 2 | 205-978-7340 | FRAME | 20001-@ | |
| 3 | 205-978-7330 | BRACKET | 20001-@ | |
| 4 | 01010-51230 | BOLT | 20001-@ | |
| 5 | 01643-31232 | WASHER | 20001-@ | |
| 6 | 205-978-7390 | BRACKET | 20001-@ | |
| 7 | 205-978-6541 | BRACKET | 20001-@ | |
| 8 | 01010-51225 | BOLT | 20001-@ | |
| 9 | 01643-31232 | WASHER | 20001-@ | |
| 10 | 01010-50830 | BOLT | 20001-@ | |
| 11 | 01643-30823 | WASHER | 20001-@ | |
| 12 | 205-978-6660 | PLATE | 20001-@ | |
| 13 | 01010-50820 | BOLT | 20001-@ | |
| 14 | 01643-30823 | WASHER | 20001-@ | |
| 15 | 205-978-6670 | PLATE | 20001-@ | |
| 16 | 01010-51230 | BOLT | 20001-@ | |
| 17 | 01643-31232 | WASHER | 20001-@ | |
| 18 | 205-62-55780 | COVER | 20001-@ | |
| 19 | 08034-00536 | BAND | 20001-@ | |
| 20 | 205-978-7430 | FRAME | 20001-20448 | |
| 21 | 205-978-7410 | COVER | 20001-@ |
