
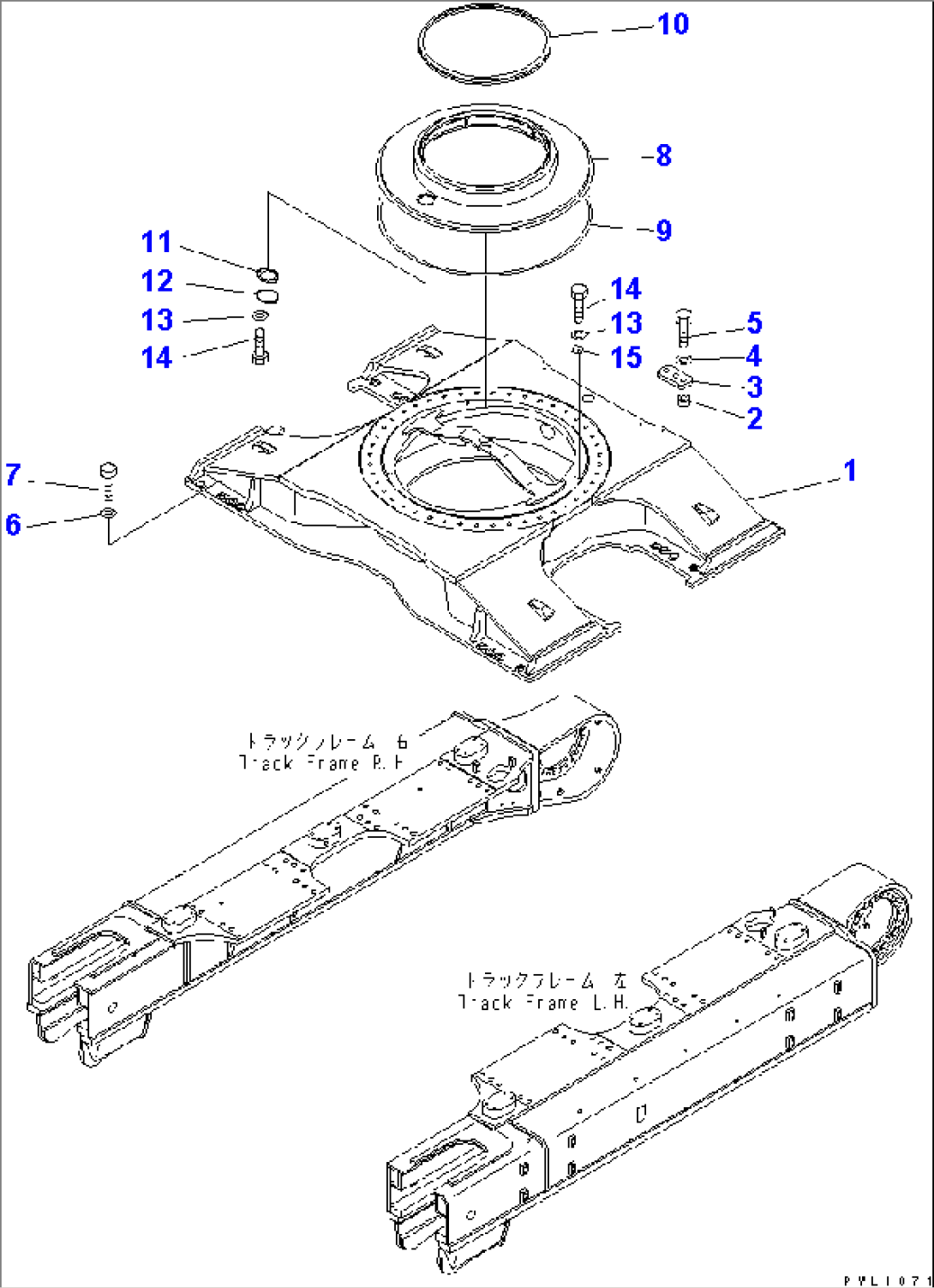
| Item | Part No. | Part Name | Qty | Serial No. |
| 1 | 21M-30-11111 | FRAME | 20001- | |
| 2 | 209-30-11330 | SPACER | 20001- | |
| 3 | 21M-30-12170 | PLATE | 20001- | |
| 4 | 01643-33690 | WASHER | 20001- | |
| 5 | 01011-83630 | BOLT | 20001- | |
| 6 | 01643-33380 | WASHER | 20001- | |
| 7 | 15A-78-11270 | BOLT | 20001- | |
| 8 | 21M-30-13111 | COVER | 20001- | |
| 9 | 21M-30-13120 | SEAL | 20001- | |
| 10 | 21M-30-13140 | SEAL | 20001- | |
| 11 | 205-30-71191 | GASKET | 20001- | |
| 12 | 205-30-71181 | COVER | 20001- | |
| 13 | 01643-31232 | WASHER | 20001- | |
| 14 | 01010-81225 | BOLT | 20001- | |
| 15 | 21M-30-13130 | BRACKET | 20001- |
