
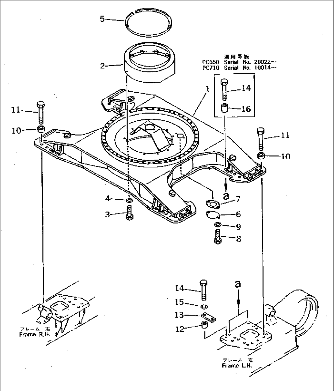
| Item | Part No. | Part Name | Qty | Serial No. |
| 1 | 209-30-61113 | FRAME | 10124-10148 | |
| 1 | 209-30-61112 | FRAME | 10054-10123 | |
| 1 | 209-30-61111 | FRAME | 10001-10053 | |
| 1 | 209-62-64220 | SEAT | 10001-@ | |
| 2 | 209-30-11362 | COVER | 10001-10148 | |
| 3 | 01010-51230 | BOLT | 10001-10148 | |
| 4 | 175-54-34170 | WASHER | 10062-10148 | |
| 4 | 01643-31232 | WASHER | 10001-10061 | |
| 5 | 209-30-11341 | SEAL | 10001-10148 | |
| 6 | 205-30-71181 | COVER | 10001-@ | |
| 7 | 205-30-71191 | GASKET | 10001-@ | |
| 8 | 01010-51225 | BOLT | 10001-@ | |
| 9 | 01643-31232 | WASHER | 10001-@ | |
| 10 | 209-30-61120 | SPACER | 10014-@ | |
| 10 | 209-30-61120 | SPACER | 10001-10013 | |
| 11 | 209-09-51110 | BOLT | 10014-@ | |
| 11 | 209-09-51110 | BOLT | 10001-10013 | |
| 12 | 209-30-11320 | COLLAR | 10001-@ | |
| 13 | 209-30-61130 | PLATE | 10001-@ | |
| 14 | 209-09-61110 | BOLT | 10014-@ | |
| 14 | 209-09-61110 | BOLT | 10001-10013 | |
| 15 | 01643-33690 | WASHER | 10001-@ | |
| 16 | 209-30-61140 | SPACER | 10014-@ |
