
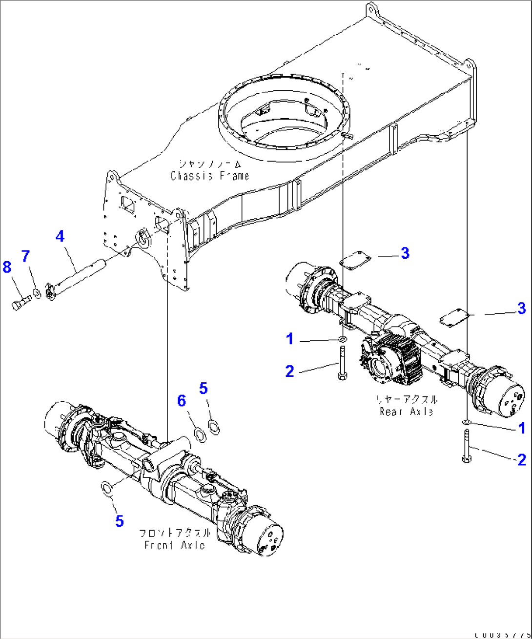
| Item | Part No. | Part Name | Qty | Serial No. |
| 1 | 01643-32060 | WASHER | K40001- | |
| 2 | 20G-22-31120 | BOLT | K40001- | |
| 3 | 20G-22-31111 | PLATE | K40001- | |
| 4 | 20G-23-31112 | PIN | K40001- | |
| 5 | 20G-23-31120 | SHIM¤ 1.0MM | K40001- | |
| 6 | 20G-23-31130 | SHIM¤ 0.5MM | K40001- | |
| 7 | 209-54-14650 | WASHER | K40001- | |
| 8 | 01010-81220 | BOLT | K40001- |
