
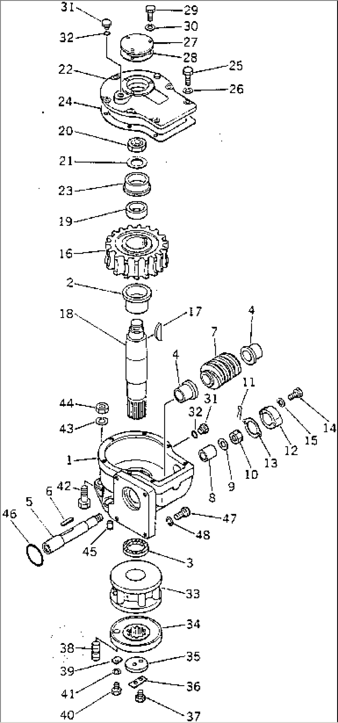
| Item | Part No. | Part Name | Qty | Serial No. |
| 236-71-00040 | CIRCLE REVERSE ASS'Y | 2001- | ||
| 1 | 236-71-23210 | CASE | 2001- | |
| 2 | 233-71-13120 | BUSHING | 2001- | |
| 3 | 07011-00060 | SEAL,OIL (KIT) | 2001- | |
| 4 | 233-71-13130 | BUSHING | 2001- | |
| 5 | 236-71-23120 | SHAFT | 2001- | |
| 6 | 233-71-13430 | KEY | 2001- | |
| 7 | 233-71-13420 | WORM | 2001- | |
| 8 | 233-71-13440 | SLEEVE | 2001- | |
| 9 | 233-71-13450 | WASHER | 2001- | |
| 10 | 01593-12013 | NUT | 2001- | |
| 11 | 04050-04040 | PIN,COTTER (KIT) | 2001- | |
| 12 | 233-71-13220 | COVER | 2001- | |
| 13 | 233-71-13230 | GASKET (KIT) | 2001- | |
| 14 | 01010-30835 | BOLT | 2001- | |
| 15 | 01602-00825 | WASHER,SPRING | 2001- | |
| 16 | 233-71-13330 | GEAR | 2001- | |
| 17 | 04010-01265 | KEY | 2001- | |
| 18 | 230-71-13111 | SHAFT | 2001- | |
| 19 | 233-71-13320 | SLEEVE | 2001- | |
| 20 | 01530-03912 | NUT | 2001- | |
| 21 | 01658-03923 | WASHER | 2001- | |
| 22 | 236-71-23130 | COVER | 2001- | |
| 23 | 233-71-13180 | BUSHING | 2001- | |
| 24 | 233-71-13190 | GASKET (KIT) | 2001- | |
| 25 | 01010-31025 | BOLT | 2001- | |
| 26 | 01602-01030 | WASHER,SPRING | 2001- | |
| 27 | 233-71-13240 | COVER | 2001- | |
| 28 | 233-71-13250 | GASKET (KIT) | 2001- | |
| 29 | 01010-30818 | BOLT | 2001- | |
| 30 | 01602-00825 | WASHER,SPRING | 2001- | |
| 31 | 07040-11812 | PLUG | 2001- | |
| 32 | 07002-01823 | O-RING (KIT) | 2001- | |
| 33 | 230-71-13120 | GEAR | 2001- | |
| 34 | 232-71-13510 | SPROCKET | 2001- | |
| 35 | 131-14-44560 | PLATE | 2001- | |
| 36 | 04081-04512 | LOCK (KIT) | 2001- | |
| 37 | 01010-31025 | BOLT | 2001- | |
| 38 | 230-71-13131 | PIN,SHEAR | 2001- | |
| 39 | 232-71-13532 | PLATE | 2001- | |
| 40 | 01010-30816 | BOLT | 2001- | |
| 41 | 01602-00825 | WASHER,SPRING | 2001- | |
| 42 | 01010-32055 | BOLT | 2001- | |
| 43 | 01602-02060 | WASHER,SPRING | 2001- | |
| 44 | 01580-02016 | NUT | 2001- | |
| 45 | 04020-01228 | PIN | 2001- | |
| 46 | 07000-12070 | O-RING (KIT) | 2001- | |
| 47 | 01010-31240 | BOLT | 2001- | |
| 48 | 01602-01236 | WASHER,SPRING | 2001- |
