
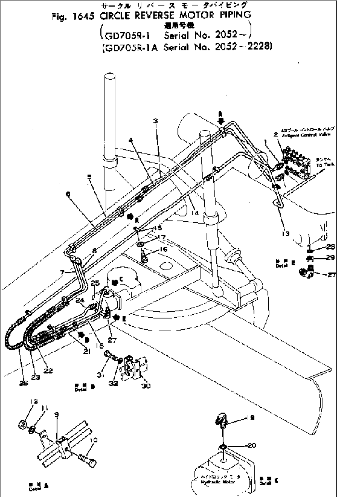
| Item | Part No. | Part Name | Qty | Serial No. |
| 1 | 07230-10422 | UNION | 2052- | |
| 2 | 07002-12034 | O-RING (KIT) | 2052- | |
| 3 | 234-870-9940 | TUBE | 4010- | |
| 3 | 234-60-22473 | TUBE | 2052-4009 | |
| 4 | 234-870-9950 | TUBE | 4010- | |
| 4 | 234-60-22483 | TUBE | 2052-4009 | |
| 5 | 234-60-22494 | TUBE | 2052- | |
| 6 | 234-60-22514 | TUBE | 2052- | |
| 7 | 234-60-22523 | TUBE | 2052- | |
| 8 | 234-60-22533 | TUBE | 2052- | |
| 9 | 232-60-14932 | CLIP | 2052- | |
| 10 | 01010-51045 | BOLT | 2052- | |
| 11 | 01602-21030 | WASHER | 2052- | |
| 12 | 01580-11008 | NUT | 2052- | |
| 13 | 234-870-9810 | TUBE | 4010- | |
| 13 | 234-60-22545 | TUBE | 2052-4009 | |
| 14 | 234-60-22553 | TUBE | 2052- | |
| 15 | 04434-01508 | CLIP | 4010- | |
| 15 | 04434-01508 | CLIP | 2052-4009 | |
| 16 | 01010-00816 | BOLT | 4010- | |
| 16 | 01010-00816 | BOLT | 2052-4009 | |
| 17 | 01602-00825 | WASHER | 4010- | |
| 17 | 01602-00825 | WASHER | 2052-4009 | |
| 18 | 234-60-14114 | TUBE | 2052- | |
| 19 | 232-60-14281 | ELBOW | 2052- | |
| 20 | 07002-12434 | O-RING (KIT) | 2052- | |
| 21 | 234-60-14126 | TUBE | 4007- | |
| 21 | 234-60-14125 | TUBE | 2052-4006 | |
| 22 | 07108-20408 | HOSE | 4004- | |
| 22 | 07109-20408 | HOSE | 2052-4003 | |
| 23 | 07108-20410 | HOSE | 4004- | |
| 23 | 07109-20410 | HOSE | 2052-4003 | |
| 24 | 234-60-14133 | TUBE | 2052- | |
| 25 | 07213-51521 | CONNECTOR | 2052- | |
| 26 | 07100-20309 | HOSE | 4004- | |
| 26 | 07101-20309 | HOSE | 2052-4003 | |
| 27 | 232-60-14281 | ELBOW | 4007- | |
| 27 | 234-60-14181 | ELBOW | 2052-4006 | |
| 28 | 07002-12434 | O-RING (KIT) | 2052- | |
| 29 | 07239-12410 | NUT | 2052-4006 | |
| 30 | 232-60-14942 | CLIP | 2052- | |
| 31 | 01010-51045 | BOLT | 2052- | |
| 32 | 01602-21030 | WASHER | 2052- |
