
| Item | Part No. | Part Name | Qty | Serial No. |
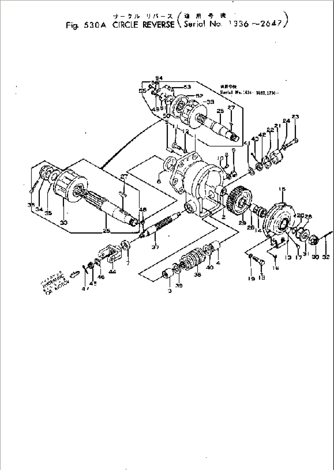
| 232-71-00132 | GEAR CASE ASS'Y | 1336-2299 | ||
| 1 | 232-71-13111 | CASE | 1336-2299 | |
| 2 | 232-71-13270 | BUSHING | 1336-2647 | |
| 3 | 232-71-13280 | BUSHING | 1336-2647 | |
| 4 | 232-71-13140 | BUSHING | 1336-2647 | |
| 5 | 232-71-13150 | PIN | 1336-2647 | |
| 6 | 07011-00058 | SEAL | 1336-2647 | |
| 7 | 07011-00028 | SEAL | 1336-2647 | |
| 8 | 07042-00415 | PLUG | 1336-2647 | |
| 9 | 07040-01812 | PLUG | 1336-2299 | |
| 10 | 07003-11824 | GASKET | 1336-2647 | |
| 11 | 01000-41845 | BOLT | 1336-2299 | |
| 12 | 01602-01854 | WASHER | 1336-2647 | |
| 232-71-13020 | COVER ASS'Y | 1336-2647 | ||
| 13 | \6\ | COVER | 1336-2647 | |
| 14 | 232-71-13290 | BUSHING | 1336-2647 | |
| 15 | 232-71-13190 | GASKET | 1336-2647 | |
| 16 | 07042-00415 | PLUG | 1336-2647 | |
| 17 | 07020-00000 | FITTING | 1336-2647 | |
| 18 | 01000-41030 | BOLT | 1128-2299 | |
| 19 | 01602-11030 | WASHER | 1003-2647 | |
| 20 | 07000-03075 | O-RING | 1336-2647 | |
| 21 | 232-71-13220 | CAP | 1336-2647 | |
| 22 | 232-71-13230 | GASKET | 1336-2647 | |
| 23 | 01000-40822 | BOLT | 1336-2299 | |
| 24 | 01602-00825 | WASHER | 1003-2647 | |
| 25 | 232-71-13310 | SHAFT | 1336-1633 | |
| 26 | 232-71-13321 | SPACER | 1336-2647 | |
| 27 | 04000-01250 | KEY | 1336-2647 | |
| 28 | 07000-03045 | O-RING | 1336-2647 | |
| 29 | 232-71-13330 | GEAR | 1336-2647 | |
| 30 | 01511-43922 | NUT | 1336-2299 | |
| 31 | 232-71-13340 | WASHER | 1336-2647 | |
| 32 | 04050-08070 | PIN | 1336-2299 | |
| 33 | 233-71-13351 | GEAR | 1336-1633 | |
| 34 | 01511-43320 | NUT | 1336-1633 | |
| 35 | 01640-13345 | WASHER | 1336-1633 | |
| 36 | 04050-06060 | PIN | 1336-1633 | |
| 37 | 232-71-13410 | SHAFT | 1336-2299 | |
| 38 | 232-71-13420 | GEAR | 1336-2647 | |
| 39 | 232-71-13430 | WASHER | 1336-2647 | |
| 40 | 232-71-13440 | WASHER | 1336-2647 | |
| 41 | 01640-01629 | WASHER | 1336-2647 | |
| 42 | 01511-31612 | NUT | 1336-2299 | |
| 43 | 04050-04035 | PIN | 1336-2647 | |
| 44 | 232-40-12350 | YOKE | 1003-2647 | |
| 45 | 01511-31612 | NUT | 1336-2299 | |
| 46 | 01640-01629 | WASHER | 1003-2647 | |
| 47 | 04050-04035 | PIN | 1003-2647 | |
| 48 | 04010-00725 | KEY | 1336-2647 |
