
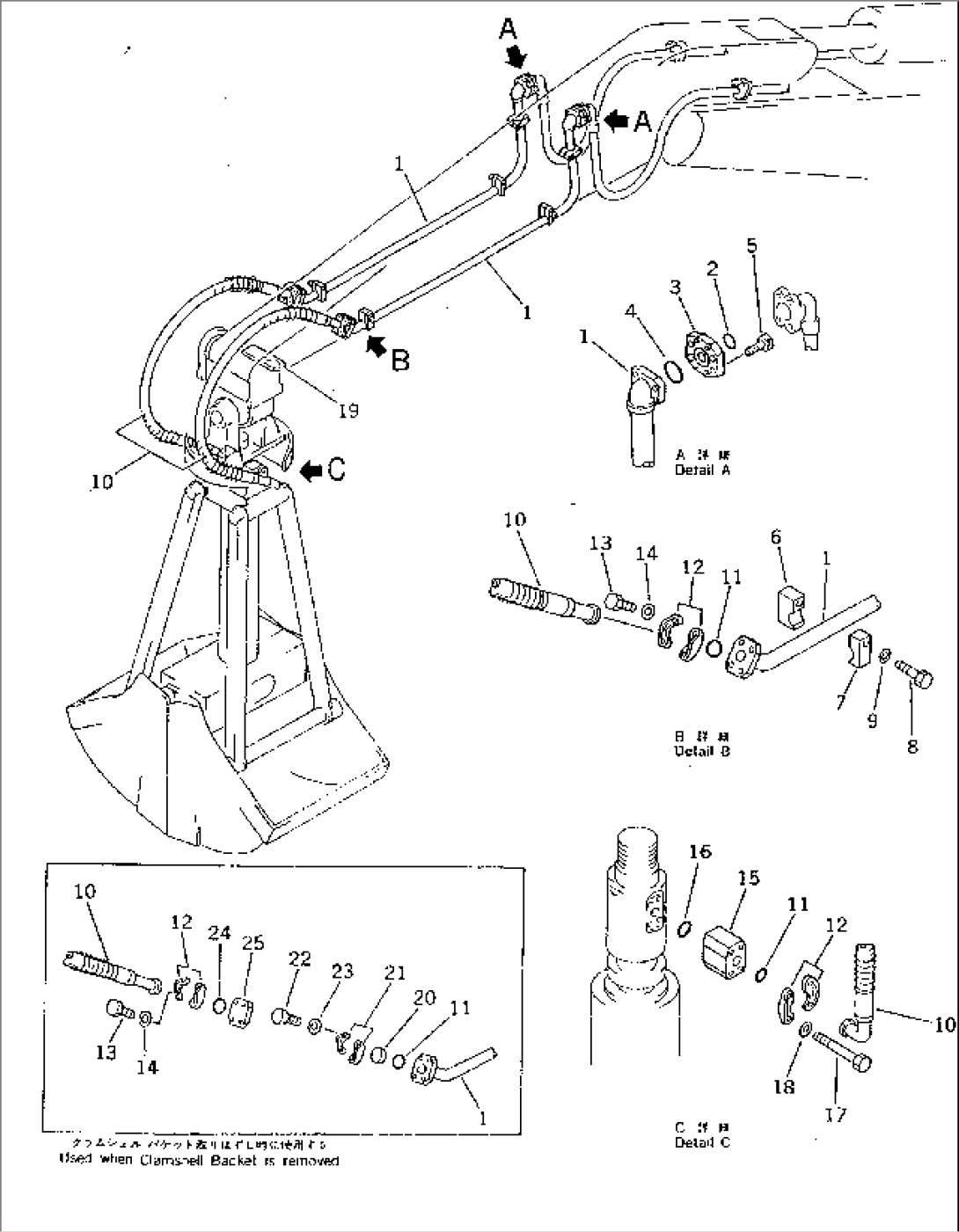
| Item | Part No. | Part Name | Qty | Serial No. |
| 1 | 205-931-7110 | TUBE | 10001- | |
| 2 | (07000-13025) | O-RING | 10001- | |
| 3 | 209-62-12730 | PLATE | 10001- | |
| 4 | 07000-13035 | O-RING | 10001- | |
| 5 | 01252-41020 | BOLT | 10001- | |
| 6 | 205-931-6120 | CLAMP (WELDED) | 10001- | |
| 7 | 205-931-6130 | CLAMP | 10001- | |
| 8 | 01010-31250 | BOLT | 10001- | |
| 9 | 01643-31232 | WASHER | 10001- | |
| 10 | 07098-21020 | HOSE | 10001- | |
| 11 | 07000-13032 | O-RING | 10001- | |
| 12 | 07371-31049 | FLANGE,SPLIT | 10001- | |
| 13 | 07372-01030 | BOLT | 10001- | |
| 14 | 01643-51032 | WASHER | 10001- | |
| 15 | 205-931-3150 | FLANGE | 10001- | |
| 16 | 07000-13035 | O-RING | 10001- | |
| 17 | 205-931-6140 | BOLT | 10001- | |
| 18 | 01643-51032 | WASHER | 10001- | |
| 19 | 205-931-3170 | PLATE (WELDED) | 10001- | |
| 20 | 07378-11000 | HEAD | 10001- | |
| 21 | 07371-31049 | FLANGE,SPLIT | 10001- | |
| 22 | 07372-01030 | BOLT | 10001- | |
| 23 | 01643-51032 | WASHER | 10001- | |
| 24 | 07000-13032 | O-RING | 10001- | |
| 25 | 07379-01044 | FLANGE | 10001- |
