
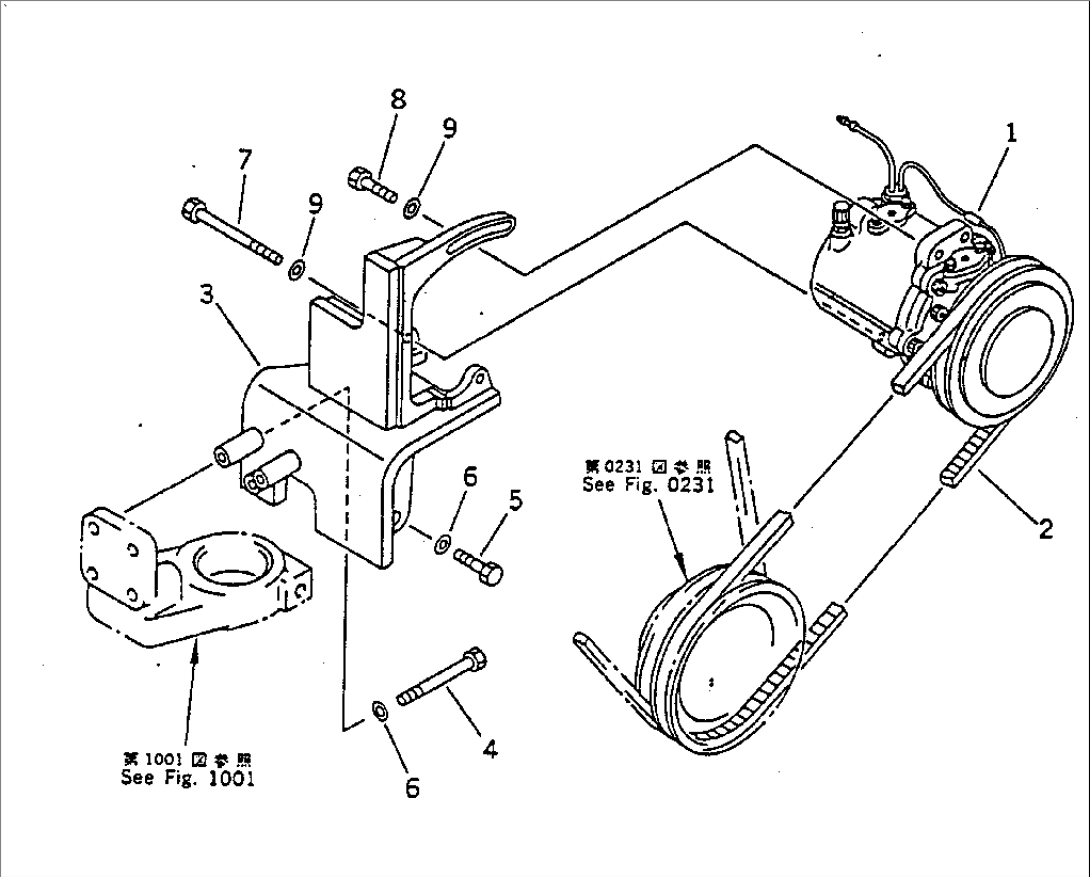
| Item | Part No. | Part Name | Qty | Serial No. |
| 1 | 20Y-978-1120 | COMPRESSOR | 36601- | |
| TW7041-0180 | SWITCH | 36601- | ||
| 2 | 04120-21745 | V-BELT | 36601- | |
| 3 | 203-978-5330 | BRACKET | 36601- | |
| 4 | 203-978-5350 | BOLT | 36601- | |
| 5 | 01010-51025 | BOLT | 36601- | |
| 6 | 01643-31032 | WASHER | 36601- | |
| 7 | 01011-51020 | BOLT | 36601- | |
| 8 | 01010-51030 | BOLT | 36601- | |
| 9 | 01643-31032 | WASHER | 36601- |
