
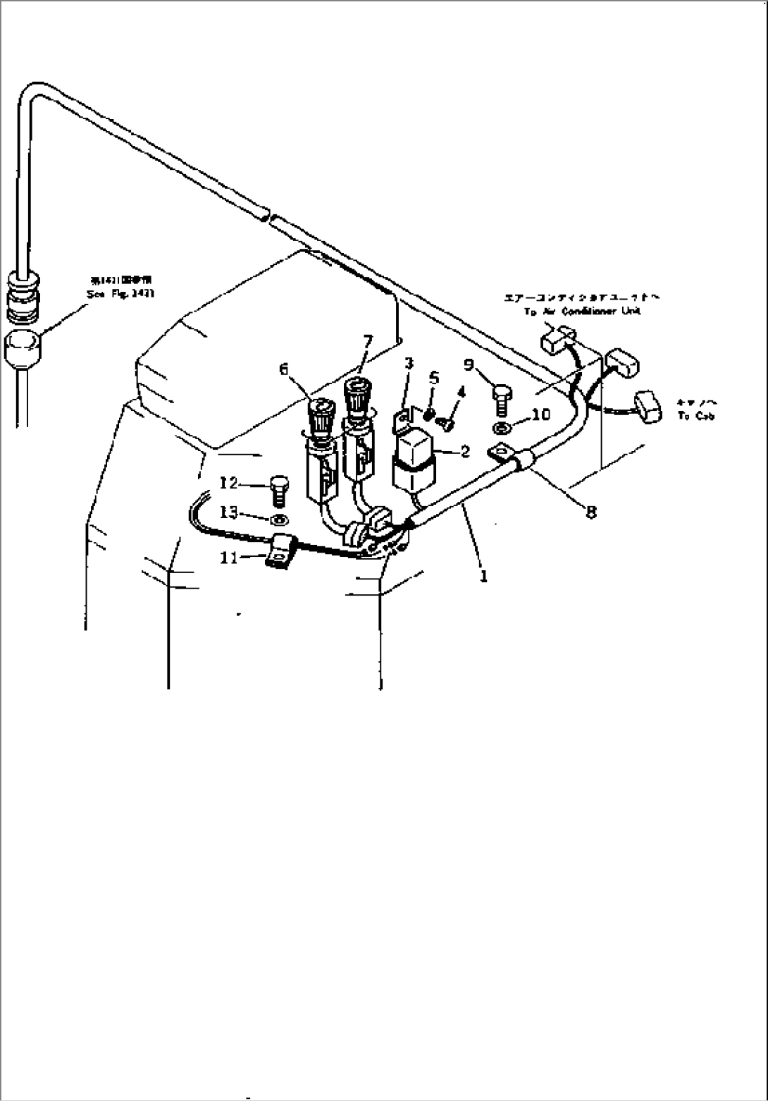
| Item | Part No. | Part Name | Qty | Serial No. |
| 1 | 425-963-1540 | WIRE ASS'Y | 10031- | |
| 2 | 421-06-11940 | RELAY,AIR CONDITIONER | 10001- | |
| 3 | 287-06-16420 | BRACKET | 10001- | |
| 4 | 01220-40610 | SCREW | 10001- | |
| 5 | 01641-20608 | WASHER | 10001- | |
| 6 | 421-T49-1100 | SWITCH,WIPER, FRONT | .- | |
| 6 | 421-06-16141 | SWITCH | 10001-. | |
| 7 | 421-06-16150 | SWITCH,WIPER, REAR | 10001- | |
| 8 | 08036-01814 | CLIP | 10001- | |
| 9 | 01010-51020 | BOLT | 10001- | |
| 10 | 01643-31032 | WASHER | 10001- | |
| 11 | 08036-10814 | CLIP | 10001- | |
| 12 | 01010-51020 | BOLT | 10001- | |
| 13 | 01643-31032 | WASHER | 10001- |
