
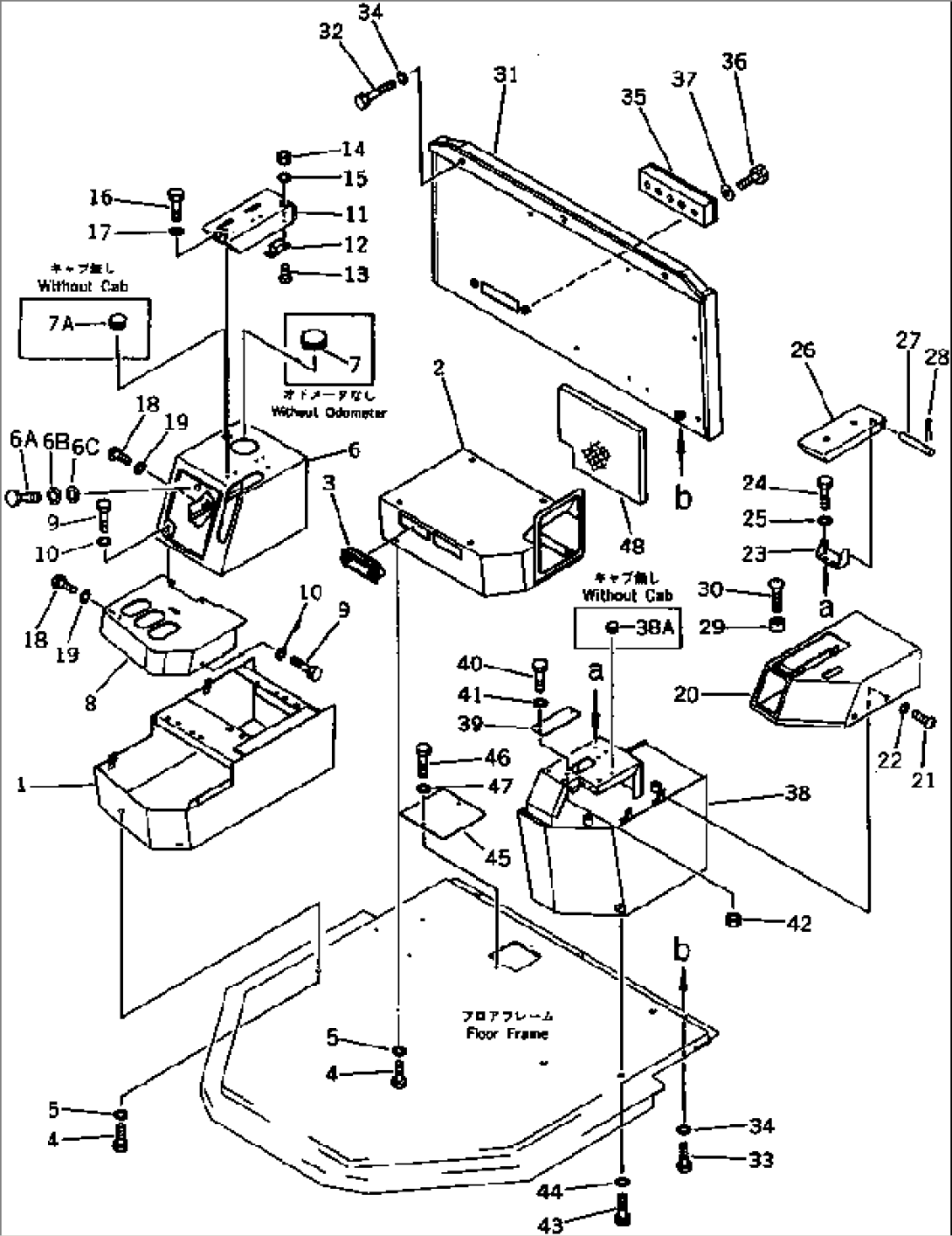
| Item | Part No. | Part Name | Qty | Serial No. |
| 1 | 419-54-12643 | BOX | 20001- | |
| 2 | 419-54-12244 | BOX | 20001- | |
| 3 | 421-07-12512 | GRILLE ASS'Y | 10001- | |
| 4 | 01010-51225 | BOLT | 10001- | |
| 5 | 01643-31232 | WASHER | 10001- | |
| 6 | 419-54-12653 | BOX | 20001- | |
| 6A | 425-54-12960 | SCREW | 10001- | |
| 6B | 01642-20608 | WASHER | 10001- | |
| 6C | 01643-30623 | WASHER | 10001- | |
| 7 | 419-54-12280 | COVER,(WITHOUT ODOMETER) | 10001- | |
| 7A | 09415-02512 | CAP,(WITHOUT CAB) | 10001- | |
| 8 | 419-54-12332 | COVER | 20001- | |
| 9 | 01010-50816 | BOLT | 10001- | |
| 10 | 01643-30823 | WASHER | 10001- | |
| 11 | 419-54-12682 | BRACKET | 10001- | |
| 12 | 09452-06506 | CATCHER | 10001- | |
| 13 | 01224-40412 | SCREW | 10001- | |
| 14 | 01580-10403 | NUT | 10001- | |
| 15 | 01601-20410 | WASHER,SPRING | 10001- | |
| 16 | 01010-50616 | BOLT | 10001- | |
| 17 | 01643-30623 | WASHER | 10001- | |
| 18 | 01220-70616 | SCREW | .- | |
| 18 | \0\423-54-12830 | SCREW | 20001-. | |
| 19 | 01642-40608 | WASHER | .- | |
| 19 | \0\423-54-12840 | WASHER | 20001-. | |
| 20 | 425-54-12671 | COVER | 10745- | |
| 21 | 01220-70616 | SCREW | .- | |
| 21 | 423-54-12830 | SCREW | 10745-. | |
| 22 | 01642-40608 | WASHER | .- | |
| 22 | 423-54-12840 | WASHER | 10745-. | |
| 23 | 425-54-12520 | PLATE | 10001- | |
| 24 | 01010-51020 | BOLT | 10001- | |
| 25 | 01643-31032 | WASHER | 10001- | |
| 26 | 425-54-12510 | BRACKET | 10001- | |
| 27 | 425-54-12530 | SHAFT | 10001- | |
| 28 | 04050-13018 | PIN,COTTER | 10001- | |
| 29 | 425-54-12590 | STOPPER | 10001- | |
| 30 | 01220-30420 | SCREW | 10001- | |
| 31 | 418-54-12231 | COVER | 10001- | |
| 32 | 01010-51240 | BOLT | 10001- | |
| 33 | 01010-51225 | BOLT | 10001- | |
| 34 | 01643-31232 | WASHER | 10001- | |
| 35 | 418-54-12140 | PLATE | 10001- | |
| 36 | 01010-51235 | BOLT | 10001- | |
| 37 | 01643-31232 | WASHER | 10001- | |
| 38 | 424-54-12830 | BOX | 10001- | |
| 38A | 09415-00506 | CAP,(WITHOUT CAB) | 10001- | |
| 39 | 424-54-12820 | PLATE | 10001- | |
| 40 | 01010-51025 | BOLT | 10001- | |
| 41 | 01643-31032 | WASHER | 10001- | |
| 42 | 01580-11008 | NUT | 10001- | |
| 43 | 01010-51225 | BOLT | 10001- | |
| 44 | 01643-31232 | WASHER | 10001- | |
| 45 | 419-54-12260 | PLATE | 10001- | |
| 46 | 01010-50610 | BOLT | 10001- | |
| 47 | 01643-30623 | WASHER | 10001- |
