
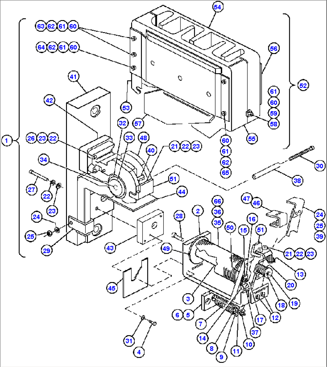
| Item | Part No. | Part Name | Qty | Serial No. |
| 1 | VE1317 | CONTACTOR | ||
| 2 | VS8925 | MAGNET, FRAME | ||
| 3 | VS8908 | CORE | ||
| 4 | VS9207 | MACHINE SCREW / LOCKWASHER - #8 - 36NF X 1/2" | ||
| 5 | VS9322 | FRAME, SPRING BRACKET | ||
| 6 | VK0979 | CAPSCREW / LOCKWASHER - 3/8" - 16NC X 3/4" | ||
| 7 | VM0242 | SPRING W/ PLUG | ||
| 8 | VE5771 | LOCKWASHER - #10 (EXTERNAL TOOTH) | ||
| 9 | SF2755 | NUT | ||
| 10 | VS9034 | MACHINE SCREW - #10 - 32NF X 2 7/16" | ||
| 11 | BF1890 | ARMATURE ASSEMBLY | ||
| 12 | R3869 | CAPSCREW - 5/16" - 18NC X 5/8" | ||
| 12 | C1538 | LOCKWASHER - 5/16" | ||
| 13 | VM0275 | SHUNT | ||
| 14 | VS9172 | PIN | ||
| 15 | VS9171 | CLAMP | ||
| 16 | VS9209 | MACHINE SCREW / LOCKWASHER - #10 - 32NF X 1/2" | ||
| 17 | VS8285 | CONTACT ARM | ||
| 18 | VE5761 | COTTER PIN | ||
| 19 | VS9175 | SEAT, SPRING | ||
| 20 | VM0253 | SPRING | ||
| 21 | VJ7860 | CAPSCREW - 5/16" - 18NC X 1 1/4" | ||
| 22 | VE4696 | LOCKWASHER - 5/16" | ||
| 23 | AK1960 | FLAT WASHER - 5/16" | ||
| 24 | DC3584 | LOCKWASHER - 1/4" | ||
| 25 | VE4347 | NUT | ||
| 26 | VE2250 | CAPSCREW - 5/16" - 18NC X 2 1/4" | ||
| 27 | VE2249 | CAPSCREW - 5/16" - 18NC X 2" | ||
| 28 | C1603 | CAPSCREW - 3/8" - 16NC X 1 1/4" | ||
| 28 | C0312 | LOCKWASHER - 3/8" | ||
| 29 | VJ8979 | CLAMP | ||
| 30 | VJ9150 | CAPSCREW - 1/4" - 20NC X 3 1/2" | ||
| 31 | VE4604 | FLAT WASHER | ||
| 32 | VJ8710 | INSULATION FLANGE | ||
| 33 | BF1891 | CORE FLANGE | ||
| 34 | BF1892 | CORE | ||
| 35 | VS6662 | FLAT WASHER - #10 | ||
| 36 | VJ9158 | MACHINE SCREW - #10 - 32NF X 3/8" | ||
| 36 | H2643 | LOCKWASHER | ||
| 37 | VS6881 | FLAT WASHER - 5/16" (BRASS) | ||
| 38 | VS7830 | SPACER | ||
| 39 | VM0217 | HORN, ARC CHUTE | ||
| 40 | VM0229 | ARCING HORN | ||
| 41 | VE7738 | SUPPORT BLOCK | ||
| 42 | VS7165 | BLOCK | ||
| 43 | VS7166 | BLOCK | ||
| 44 | VS7132 | INSULATION | ||
| 45 | VE2248 | SHIM | ||
| 46 | VM0229 | ARCING HORN | ||
| 47 | (NOT USED THIS APPLICATION) | |||
| 48 | VJ1124 | BLOWOUT COIL SUPPORT | ||
| 49 | VE3288 | LOCKING PLATE | ||
| 50 | VE0252 | SPRING WASHER | ||
| 51 | VE1183 | CONTACT TIP | ||
| 52 | VJ0846 | ARC CHUTE | ||
| 53 | VS6697 | SUPPORT | ||
| 54 | VJ8965 | SIDE, ARC CHUTE | ||
| 55 | VJ8966 | SIDE, ARC CHUTE | ||
| 56 | VE5778 | PIECE, POLE | ||
| 57 | VE1076 | PIECE, POLE | ||
| 58 | VE5779 | MACHINE SCREW - 1/4" - 20NC X 1 1/4" | ||
| 59 | VJ3711 | FLAT WASHER - 1/4" | ||
| 60 | DC3584 | LOCKWASHER - 1/4" | ||
| 61 | TD1549 | NUT - 1/4" | ||
| 62 | VE5781 | CAPSCREW - 1/4" - 20NC X 3 1/4" | ||
| 63 | VF6144 | FLAT WASHER - 1/4" | ||
| 64 | VS6695 | BUSHING | ||
| 65 | VS6696 | BUSHING | ||
| 66 | VM0250 | COIL, OPERATING |
