Ваш браузер устарел. Этот сайт может работать неполноценно или выглядеть сломанным. Обновите ваш браузер, если можете.

Поиск по каталогу

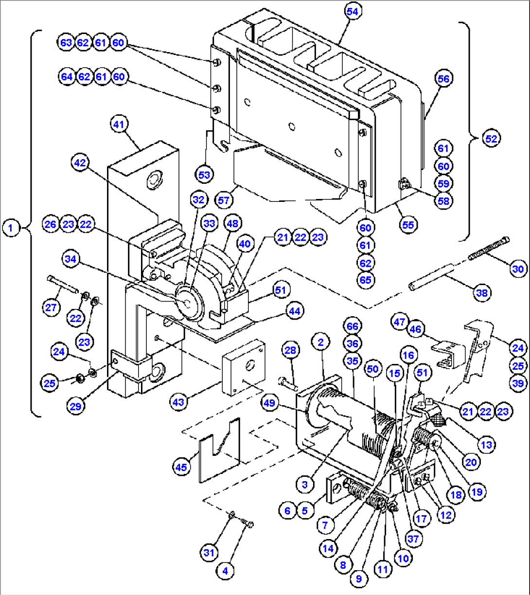
CONTACTOR - GF & MF (VE1317)

CONTACTOR - GF & MF (VE1317)
ItemPart No.Part NameQtySerial No.
1VE1317CONTACTOR
2VS8925MAGNET, FRAME
3VS8908CORE
4VS9207MACHINE SCREW / LOCKWASHER - #8 - 36NF X 1/2"
5VS9322FRAME, SPRING BRACKET
6VK0979CAPSCREW / LOCKWASHER - 3/8" - 16NC X 3/4"
7VM0242SPRING W/ PLUG
8VE5771LOCKWASHER - #10 (EXTERNAL TOOTH)
9SF2755NUT
10VS9034MACHINE SCREW - #10 - 32NF X 2 7/16"
11BF1890ARMATURE ASSEMBLY
12R3869CAPSCREW - 5/16" - 18NC X 5/8"
12C1538LOCKWASHER - 5/16"
13VM0275SHUNT
14VS9172PIN
15VS9171CLAMP
16VS9209MACHINE SCREW / LOCKWASHER - #10 - 32NF X 1/2"
17VS8285CONTACT ARM
18VE5761COTTER PIN
19VS9175SEAT, SPRING
20VM0253SPRING
21VJ7860CAPSCREW - 5/16" - 18NC X 1 1/4"
22VE4696LOCKWASHER - 5/16"
23AK1960FLAT WASHER - 5/16"
24DC3584LOCKWASHER - 1/4"
25VE4347NUT
26VE2250CAPSCREW - 5/16" - 18NC X 2 1/4"
27VE2249CAPSCREW - 5/16" - 18NC X 2"
28C1603CAPSCREW - 3/8" - 16NC X 1 1/4"
28C0312LOCKWASHER - 3/8"
29VJ8979CLAMP
30VJ9150CAPSCREW - 1/4" - 20NC X 3 1/2"
31VE4604FLAT WASHER
32VJ8710INSULATION FLANGE
33BF1891CORE FLANGE
34BF1892CORE
35VS6662FLAT WASHER - #10
36VJ9158MACHINE SCREW - #10 - 32NF X 3/8"
36H2643LOCKWASHER
37VS6881FLAT WASHER - 5/16" (BRASS)
38VS7830SPACER
39VM0217HORN, ARC CHUTE
40VM0229ARCING HORN
41VE7738SUPPORT BLOCK
42VS7165BLOCK
43VS7166BLOCK
44VS7132INSULATION
45VE2248SHIM
46VM0229ARCING HORN
47(NOT USED THIS APPLICATION)
48VJ1124BLOWOUT COIL SUPPORT
49VE3288LOCKING PLATE
50VE0252SPRING WASHER
51VE1183CONTACT TIP
52VJ0846ARC CHUTE
53VS6697SUPPORT
54VJ8965SIDE, ARC CHUTE
55VJ8966SIDE, ARC CHUTE
56VE5778PIECE, POLE
57VE1076PIECE, POLE
58VE5779MACHINE SCREW - 1/4" - 20NC X 1 1/4"
59VJ3711FLAT WASHER - 1/4"
60DC3584LOCKWASHER - 1/4"
61TD1549NUT - 1/4"
62VE5781CAPSCREW - 1/4" - 20NC X 3 1/4"
63VF6144FLAT WASHER - 1/4"
64VS6695BUSHING
65VS6696BUSHING
66VM0250COIL, OPERATING
Вернуться в каталог

Заявка

Обратная связь