
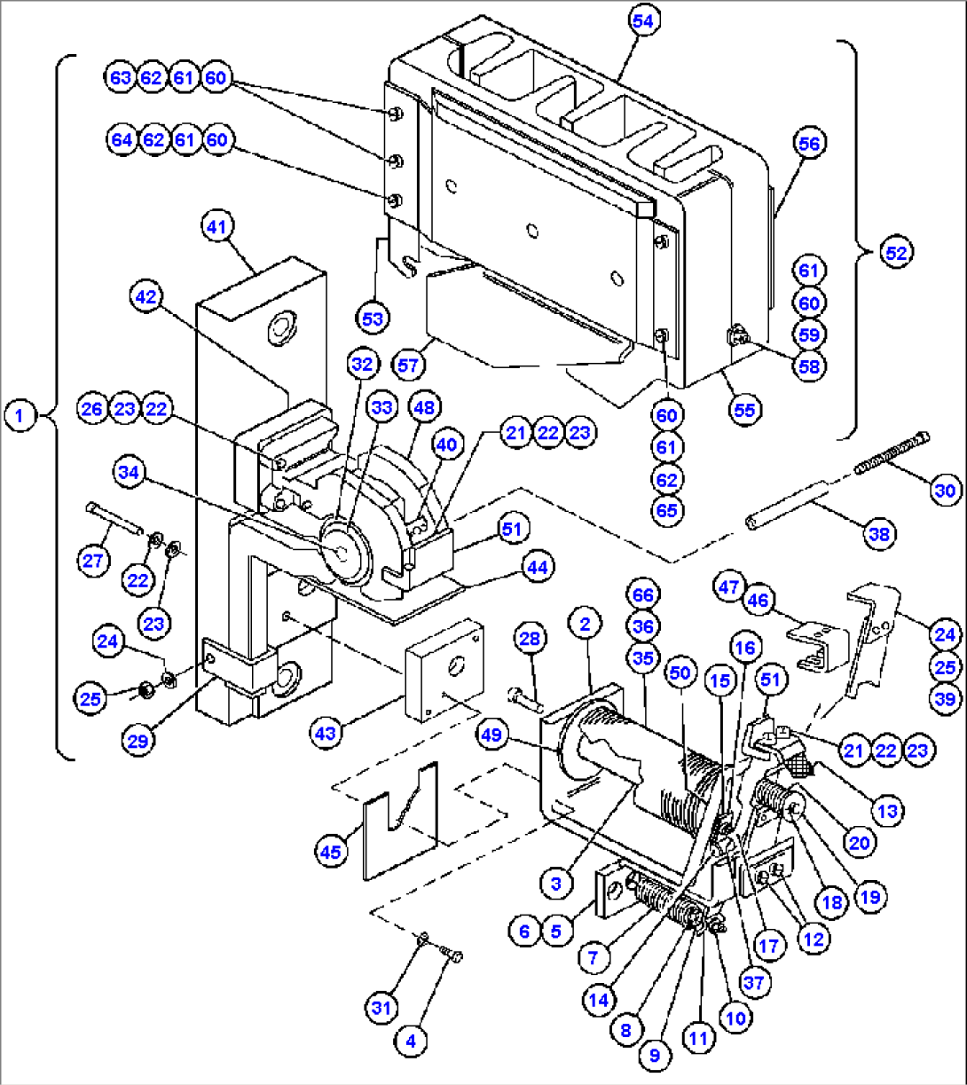
Item | Part No. | Part Name | Qty | Serial No. |
1 | VE1317 | CONTACTOR | ||
2 | VS8925 | MAGNET, FRAME | ||
3 | VS8908 | CORE | ||
4 | VS9207 | MACHINE SCREW / LOCKWASHER - #8 - 36NF X 1/2" | ||
5 | VS9322 | FRAME, SPRING BRACKET | ||
6 | VK0979 | CAPSCREW / LOCKWASHER - 3/8" - 16NC X 3/4" | ||
7 | VM0242 | SPRING W/ PLUG | ||
8 | VE5771 | LOCKWASHER - #10 (EXTERNAL TOOTH) | ||
9 | SF2755 | NUT | ||
10 | VS9034 | MACHINE SCREW - #10 - 32NF X 2 7/16" | ||
11 | BF1890 | ARMATURE ASSEMBLY | ||
12 | R3869 | CAPSCREW - 5/16" - 18NC X 5/8" | ||
12 | C1538 | LOCKWASHER - 5/16" | ||
13 | VM0275 | SHUNT | ||
14 | VS9172 | PIN | ||
15 | VS9171 | CLAMP | ||
16 | VS9209 | MACHINE SCREW / LOCKWASHER - #10 - 32NF X 1/2" | ||
17 | VS8285 | CONTACT ARM | ||
18 | VE5761 | COTTER PIN | ||
19 | VS9175 | SEAT, SPRING | ||
20 | VM0253 | SPRING | ||
21 | VJ7860 | CAPSCREW - 5/16" - 18NC X 1 1/4" | ||
22 | VE4696 | LOCKWASHER - 5/16" | ||
23 | AK1960 | FLAT WASHER - 5/16" | ||
24 | DC3584 | LOCKWASHER - 1/4" | ||
25 | VE4347 | NUT | ||
26 | VE2250 | CAPSCREW - 5/16" - 18NC X 2 1/4" | ||
27 | VE2249 | CAPSCREW - 5/16" - 18NC X 2" | ||
28 | C1603 | CAPSCREW - 3/8" - 16NC X 1 1/4" | ||
28 | C0312 | LOCKWASHER - 3/8" | ||
29 | VJ8979 | CLAMP | ||
30 | VJ9150 | CAPSCREW - 1/4" - 20NC X 3 1/2" | ||
31 | VE4604 | FLAT WASHER | ||
32 | VJ8710 | INSULATION FLANGE | ||
33 | BF1891 | CORE FLANGE | ||
34 | BF1892 | CORE | ||
35 | VS6662 | FLAT WASHER - #10 | ||
36 | VJ9158 | MACHINE SCREW - #10 - 32NF X 3/8" | ||
36 | H2643 | LOCKWASHER | ||
37 | VS6881 | FLAT WASHER - 5/16" (BRASS) | ||
38 | VS7830 | SPACER | ||
39 | VM0217 | HORN, ARC CHUTE | ||
40 | VM0229 | ARCING HORN | ||
41 | VE7738 | SUPPORT BLOCK | ||
42 | VS7165 | BLOCK | ||
43 | VS7166 | BLOCK | ||
44 | VS7132 | INSULATION | ||
45 | VE2248 | SHIM | ||
46 | VM0229 | ARCING HORN | ||
47 | (NOT USED THIS APPLICATION) | |||
48 | VJ1124 | BLOWOUT COIL SUPPORT | ||
49 | VE3288 | LOCKING PLATE | ||
50 | VE0252 | SPRING WASHER | ||
51 | VE1183 | CONTACT TIP | ||
52 | VJ0846 | ARC CHUTE | ||
53 | VS6697 | SUPPORT | ||
54 | VJ8965 | SIDE, ARC CHUTE | ||
55 | VJ8966 | SIDE, ARC CHUTE | ||
56 | VE5778 | PIECE, POLE | ||
57 | VE1076 | PIECE, POLE | ||
58 | VE5779 | MACHINE SCREW - 1/4" - 20NC X 1 1/4" | ||
59 | VJ3711 | FLAT WASHER - 1/4" | ||
60 | DC3584 | LOCKWASHER - 1/4" | ||
61 | TD1549 | NUT - 1/4" | ||
62 | VE5781 | CAPSCREW - 1/4" - 20NC X 3 1/4" | ||
63 | VF6144 | FLAT WASHER - 1/4" | ||
64 | VS6695 | BUSHING | ||
65 | VS6696 | BUSHING | ||
66 | VM0250 | COIL, OPERATING |