
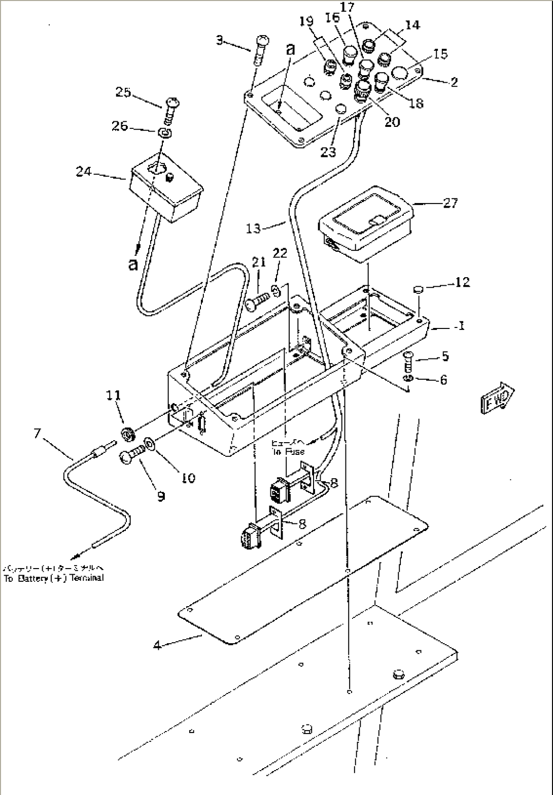
| Item | Part No. | Part Name | Qty | Serial No. |
| 1 | 120-Y79-5240 | BOX | 6001- | |
| 2 | 120-Y79-5230 | PLATE,PANEL | 6001- | |
| 3 | 01225-40616 | SCREW | 6001- | |
| 4 | 120-Y79-5310 | SHEET | 6001- | |
| 5 | 01220-40616 | SCREW | 6001- | |
| 6 | 01602-00619 | WASHER,SPRING | 6001- | |
| 7 | 120-Y79-5250 | WIRE ASS'Y | 6001- | |
| 8 | 120-Y79-5320 | PLATE | 6001- | |
| 9 | 01220-40410 | SCREW | 6001- | |
| 10 | 01611-04045 | WASHER | 6001- | |
| 11 | 08037-01008 | GROMMET | 6001- | |
| 12 | 09415-00506 | CAP | 6001- | |
| 13 | 120-Y79-5330 | WIRE ASS'Y | 6001- | |
| 14 | 08147-32402 | LAMP,INDICATOR | 6001- | |
| 08111-02430 | BULB¤ 3W | 6001- | ||
| 15 | 09415-01610 | CAP | 6001- | |
| 16 | 08061-50010 | SWITCH,HEAD LAMP | 6001- | |
| 17 | 08060-00020 | SWITCH,REAR LAMP | 6001- | |
| 18 | 08060-00040 | SWITCH,ROOM LAMP | 6001- | |
| 19 | 205-06-61160 | SWITCH,WIPER | 6001- | |
| 20 | 195-822-6150 | LIGHTER | 6001- | |
| 21 | 01220-40412 | SCREW | 6001- | |
| 22 | 01601-00410 | WASHER,SPRING | 6001- | |
| 23 | 09415-00706 | CAP | 6001- | |
| 24 | 08043-04000 | BOX,FUSE | 6001- | |
| 25 | 01220-40520 | SCREW | 6001- | |
| 26 | 01601-00513 | WASHER,SPRING | 6001- | |
| 27 | 566-06-16411 | ASHTRAY | 6001- |
