
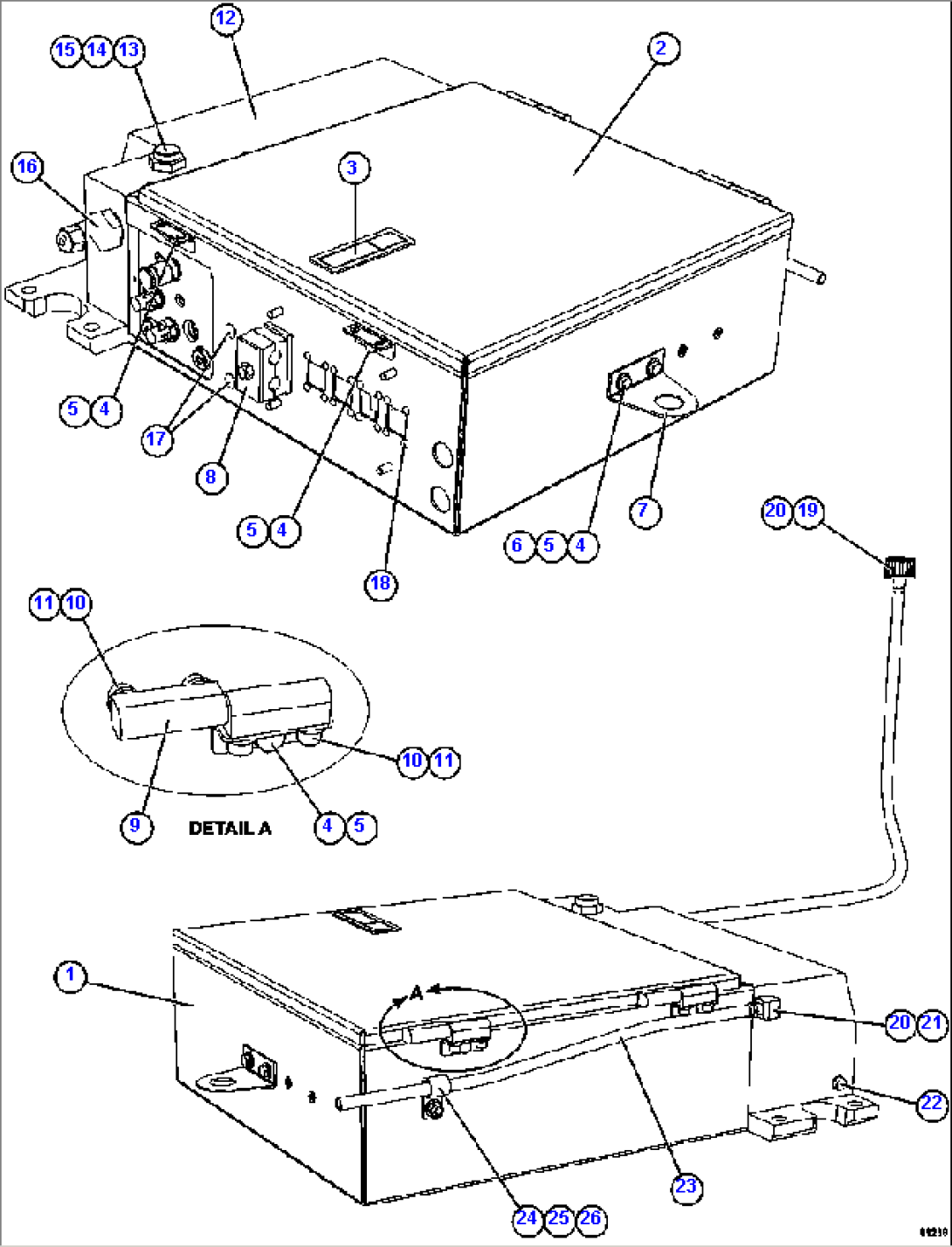
| Item | Part No. | Part Name | Qty | Serial No. |
| 1 | XA5667 | COVER ASSEMBLY | ||
| 2 | XA5760 | DOOR | ||
| 3 | XA5762 | FLUSH LOCK | ||
| 4 | XA5672 | CAPSCREW -1/4" - 20NC X 1/2" | ||
| 5 | VD4460 | LOCKNUT - 1/4" - 20NC | ||
| 6 | SP8417 | FLAT WASHER - 1/4" | ||
| 7 | XA5761 | EYE, LIFTING | ||
| 8 | XA5759 | CLAMP | ||
| 9 | XA5763 | HINGE ASSEMBLY | ||
| 10 | XA5764 | CAPSCREW -1/4" - 20NC X 5/16" | ||
| 11 | DC3584 | LOCKWASHER - 1/4" | ||
| 12 | XA5669 | TANK, HYDRAULIC | ||
| 13 | XA5670 | DIPSTICK | ||
| 14 | XA5698 | O-RING, DIPSTICK | ||
| 15 | XA5696 | REDUCER | ||
| 16 | XA5676 | PLUG | ||
| 17 | XA5684 | GROMMET, RUBBER | ||
| 18 | XA5709 | POP RIVET | ||
| 19 | XA5679 | BREATHER | ||
| 20 | XA5690 | SWIVEL, FEMALE | ||
| 21 | XA5677 | FITTING, ELBOW - 90 DEG | ||
| 22 | XA5683 | PLUG | ||
| 23 | XA5689 | HOSE, BREATHER | ||
| 24 | WB1304 | CLAMP, CUSHIONED - 9/16" | ||
| 25 | SP8417 | FLAT WASHER - 1/4" | ||
| 26 | VD4460 | LOCKNUT - 1/4" - 20NC |
