
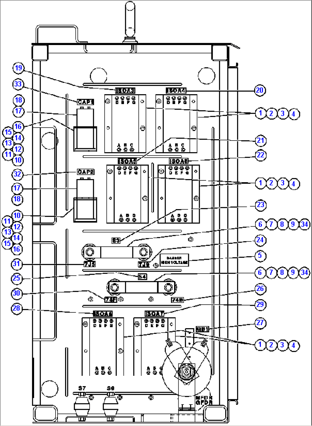
| Item | Part No. | Part Name | Qty | Serial No. |
| 1 | PB4252 | PANEL, ISO (SEE INDEX) | ||
| 2 | MM0469 | LOCKWASHER - M6 | ||
| 3 | MM0459 | FLAT WASHER - M6 | ||
| 4 | MM0176 | NUT - M6 | ||
| 5 | WA3108 | PLATE, HIGH VOLTAGE | ||
| 6 | PB3347 | SHUNT | ||
| 7 | VC1387 | CAPSCREW - 1/2" - 13NC X 1" | ||
| 8 | TR5445 | LOCKWASHER - 1/2" | ||
| 9 | TR6008 | FLAT WASHER - 1/2" | ||
| 10 | TF6376 | MACHINE SCREW - #10 - 24NC X 1 1/4" | ||
| 11 | VS8432 | BRACKET | ||
| 12 | TC4830 | MACHINE SCREW - #6 - 32NC X 5/8" | ||
| 13 | DF4944 | LOCKWASHER - #6 | ||
| 14 | HE5125 | FLAT WASHER - #6 | ||
| 15 | DC3101 | LOCKWASHER - #10 | ||
| 16 | DF0017 | NUT - #10 - 24NC | ||
| 17 | VE5107 | CAPACITOR | ||
| 18 | TV4966 | MACHINE SCREW - #10 - 32NF | ||
| 19 | TZ7528 | PLATE, NAME - ISOA3 | ||
| 20 | TZ7529 | PLATE, NAME - ISOA4 | ||
| 21 | TZ7530 | PLATE, NAME - ISOA5 | ||
| 22 | EB7405 | PLATE, NAME - ISOA8 | ||
| 23 | TZ7545 | PLATE, NAME - S3 | ||
| 24 | ED0363 | PLATE, NAME - 7J9 | ||
| 25 | EB7406 | PLATE, NAME - S4 | ||
| 26 | ED0375 | PLATE, NAME - 74B | ||
| 27 | TZ7541 | PLATE, NAME - GB1 | ||
| 28 | TZ7531 | PLATE, NAME - ISOA6 | ||
| 29 | TZ7532 | PLATE, NAME - ISOA7 | ||
| 30 | ED0374 | PLATE, NAME - 74F | ||
| 31 | ED0371 | PLATE, NAME - 7J5 | ||
| 32 | EC7254 | PLATE, NAME - CAP2 | ||
| 33 | EC7253 | PLATE, NAME - CAP1 | ||
| 34 | PB3348 | INSULATOR |
