Ваш браузер устарел. Этот сайт может работать неполноценно или выглядеть сломанным. Обновите ваш браузер, если можете.

Поиск по каталогу

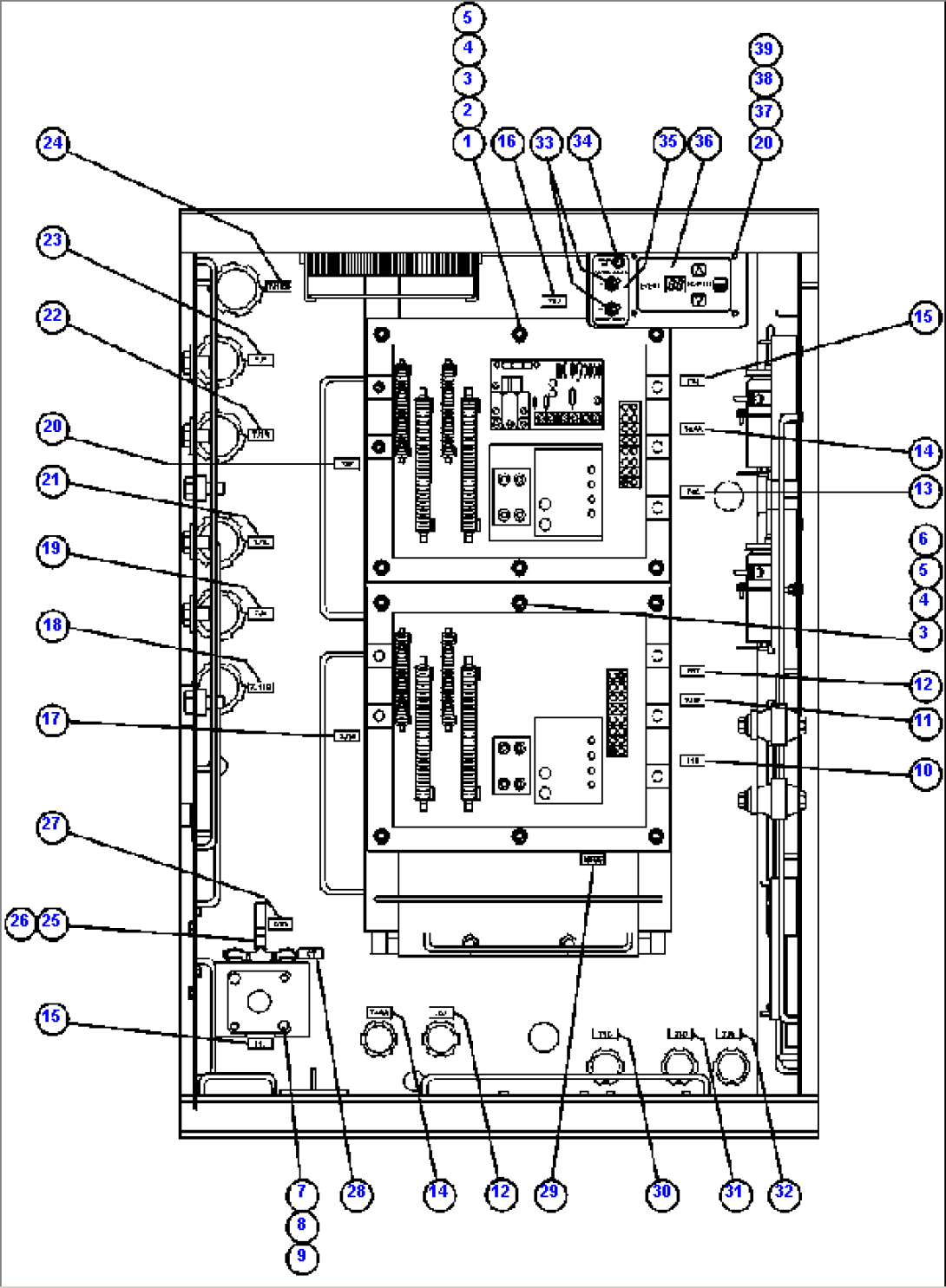
CONTROL CABINET (CENTER DOOR)

CONTROL CABINET (CENTER DOOR)
ItemPart No.Part NameQtySerial No.
1PB8838STATIC EXCITER, ALTERNATOR FIELD (SEE INDEX)
2ED6878GASKET
3MM0460FLAT WASHER - M8
4MM0470LOCKWASHER - M8
5MM0177NUT - M8
6PB8837STATIC EXCITER, MOTOR FIELD (SEE INDEX)
7PB4262TRANSFORMER, CURRENT
8MM0046CAPSCREW - M6 X 1.00 X 40
9MM0469LOCKWASHER - M6
10ED0369PLATE, NAME - 71K
11ED0370PLATE, NAME - 7J13
12ED0360PLATE, NAME - 75X
13ED0372PLATE, NAME - 74E
14ED0359PLATE, NAME - 74AA
15ED0358PLATE, NAME - 71J
16TZ7513PLATE, NAME - AFSE
17ED0368PLATE, NAME - 7J14
18EC7468PLATE, NAME - 7J1LS
19EC7467PLATE, NAME - 7J8
20ED0374PLATE, NAME - 74F
21EC7466PLATE, NAME - 7J1L
22EC7465PLATE, NAME - 7J1R
23EC7464PLATE, NAME - 7J7
24EC7469PLATE, NAME - 7J1RS
25EC2026HOUSING
26TK7659RESISTOR
27EC7257PLATE, NAME - CTR
28TZ7516PLATE, NAME - CT
29TZ7514PLATE, NAME - MFSE
30ED0361PLATE, NAME - 71G
31ED0362PLATE, NAME - 74D
32ED0363PLATE, NAME - 7J9
33SR8325SWITCH, TOGGLE
34VF6697LIGHT, INDICATOR
34VL6234LAMP, MINIATURE
35WB2078DECAL, SWITCH
36PB8056PANEL, DISPLAY (SEE INDEX)
37MM0176NUT - M6
38MM0459FLAT WASHER - M6
39ED3404BRACKET
Вернуться в каталог

Заявка

Обратная связь