
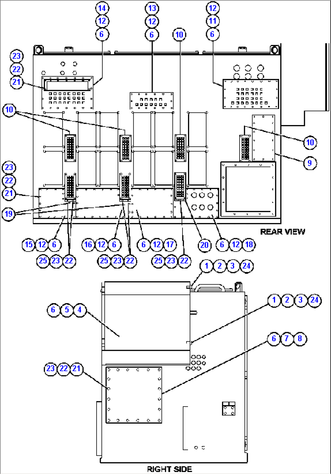
| Item | Part No. | Part Name | Qty | Serial No. |
| 1 | GE0268 | DOOR ASSEMBLY | ||
| 2 | BF4418 | MACHINE SCREW | ||
| 3 | BF3890 | FLAT WASHER | ||
| 4 | GE0270 | GASKET, DOOR | ||
| 5 | GE0271 | GASKET, DOOR | ||
| 6 | VE3035 | PYTHON - #1062 | ||
| 7 | GE0289 | ASSEMBLY, COVER | ||
| 8 | GE0265 | GASKET | ||
| 9 | GE0284 | COVER, REAR | ||
| 10 | GE0281 | COVER, EXHAUST | ||
| 11 | GE0280 | COVER, EXHAUST | ||
| 12 | GE0265 | GASKET | ||
| 13 | GE0279 | COVER, EXHAUST | ||
| 14 | GE0278 | COVER, EXHAUST | ||
| 15 | GE0285 | COVER, EXHAUST | ||
| 16 | GE0286 | COVER, EXHAUST | ||
| 17 | GE0287 | COVER, EXHAUST | ||
| 18 | GE0288 | COVER, EXHAUST | ||
| 19 | GE0282 | COVER, EXHAUST | ||
| 20 | GE0283 | COVER, EXHAUST | ||
| 21 | VE4349 | CAPSCREW - 5/16" - 18NC X 7/8" | ||
| 22 | VE5762 | FLAT WASHER - 5/16" | ||
| 23 | VE4696 | LOCKWASHER - 5/16" | ||
| 24 | BF3891 | LOCKWASHER | ||
| 25 | TR4731 | CAPSCREW |
