
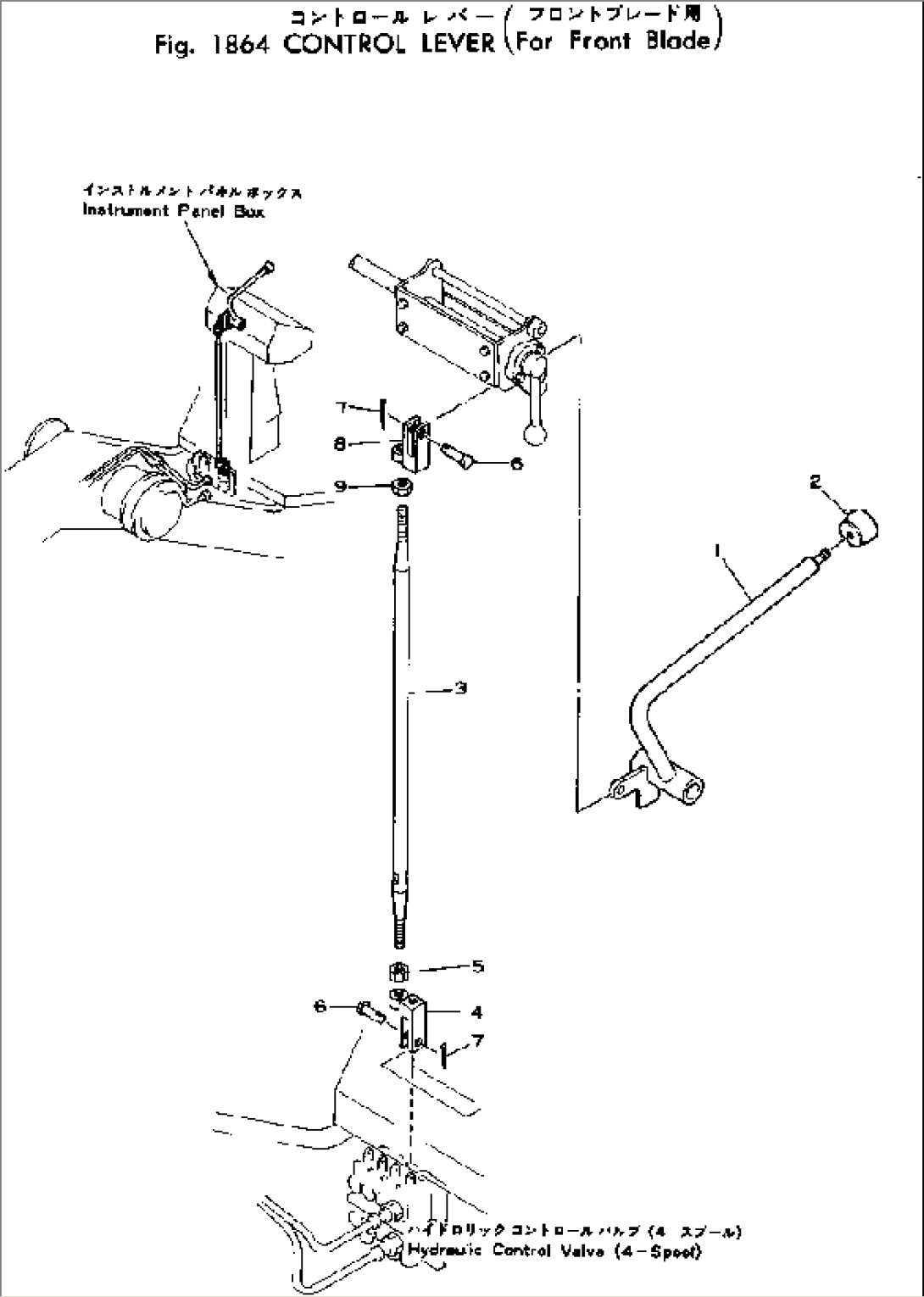
| Item | Part No. | Part Name | Qty | Serial No. |
| 1 | 234-979-5110 | LEVER | 2052- | |
| 234-870-0150 | KNOB ASS'Y | 2052- | ||
| 2 | 237-43-17480 | KNOB | 2052- | |
| 234-870-8511 | PLATE¤ OPERATING | 2052- | ||
| 3 | 234-870-8410 | ROD | 2052- | |
| 4 | 234-870-8430 | YOKE | 2052- | |
| 5 | 01508-00806 | NUT¤ L.H. THREAD | 2052- | |
| 6 | 04205-00822 | PIN | 2052- | |
| 7 | 04050-02012 | PIN | 2052- | |
| 8 | 234-870-8420 | YOKE | 2052- | |
| 9 | 01580-00806 | NUT | 2052- |
