
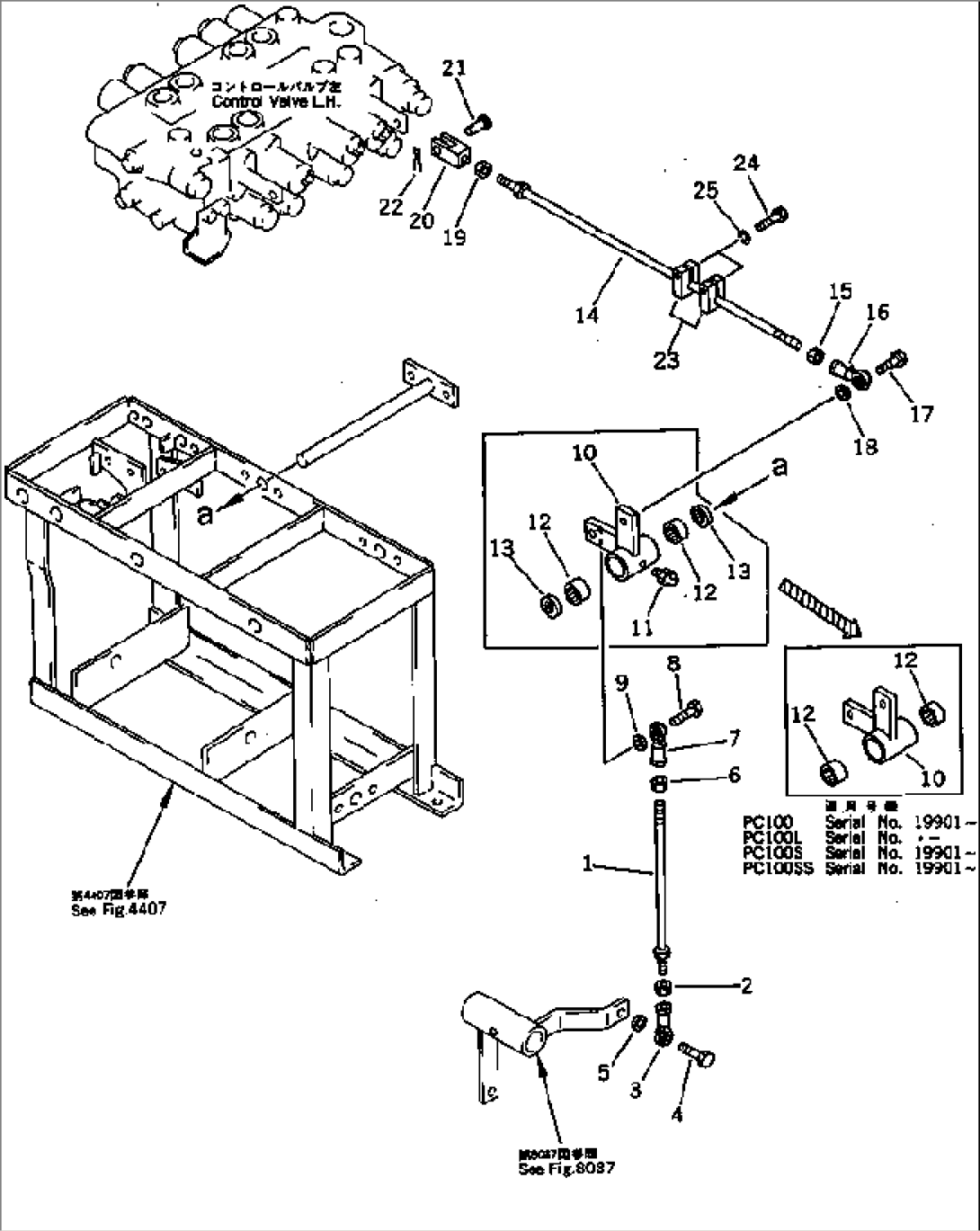
| Item | Part No. | Part Name | Qty | Serial No. |
| 1 | 04248-31028 | ROD | 12001-@ | |
| 2 | 01582-11008 | NUT | 12001-@ | |
| 3 | 04250-41056 | END,ROD | 12001-@ | |
| 4 | 01010-51030 | BOLT | 12001-@ | |
| 5 | 01643-31032 | WASHER | 12200-@ | |
| \0\04254-01032 | SPACER | 12001-12199 | ||
| 6 | 01508-21006 | NUT,L.H. THREAD | 12001-@ | |
| 7 | 04250-61056 | END,ROD¤ L.H. THREAD | 12001-@ | |
| 8 | 01010-51030 | BOLT | 12001-@ | |
| 9 | 01643-31032 | WASHER | 12200-@ | |
| \0\04254-01032 | SPACER | 12001-12199 | ||
| 10 | 203-43-41243 | LEVER | .-12199 | |
| 203-43-41242 | LEVER | 12001-. | ||
| 11 | 07020-00900 | FITTING,GREASE | 12001-. | |
| 12 | 195-61-34130 | BEARING | .-@ | |
| 06120-02016 | BEARING,NEEDLE | 12001-. | ||
| 13 | 06122-02004 | SEAL,BEARING | 12001-. | |
| 14 | 04248-31036 | ROD | 12001-@ | |
| 15 | 01508-21006 | NUT,L.H. THREAD | 12001-@ | |
| 16 | 04250-61056 | END,ROD¤ L.H. THREAD | 12001-@ | |
| 17 | 01010-51030 | BOLT | 12001-@ | |
| 18 | 01643-31032 | WASHER | 12200-@ | |
| \0\04254-01032 | SPACER | 12001-12199 | ||
| 19 | 01582-11008 | NUT | 12001-@ | |
| 20 | 20T-43-22210 | YOKE | 12001-@ | |
| 21 | 04205-10822 | PIN | 12001-@ | |
| 22 | 04050-12012 | PIN,COTTER | 12001-@ | |
| 23 | 203-43-42491 | PLATE | 12001-@ | |
| 24 | 01010-50830 | BOLT | 12001-@ | |
| 25 | 01643-30823 | WASHER | 12001-@ |
