
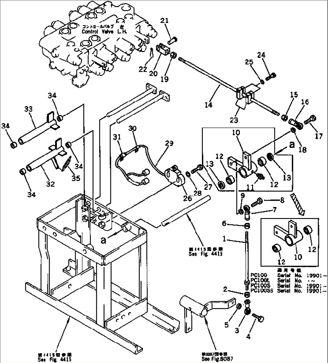
| Item | Part No. | Part Name | Qty | Serial No. |
| 1 | 04248-31028 | ROD | 3001- | |
| 2 | 01582-11008 | NUT | 3001- | |
| 3 | 04250-41056 | END,ROD | 3001- | |
| 4 | 01010-51030 | BOLT | 3001- | |
| 5 | 01643-31032 | WASHER | 3687- | |
| \0\04254-01032 | SPACER | 3001-3686 | ||
| 6 | 01508-21006 | NUT,L.H. THREAD | 3001- | |
| 7 | 04250-61056 | END,ROD¤ L.H. THREAD | 3001- | |
| 8 | 01010-51030 | BOLT | 3001- | |
| 9 | 01643-31032 | WASHER | 3687- | |
| \0\04254-01032 | SPACER | 3001-3686 | ||
| 10 | 203-43-43832 | LEVER | 3687- | |
| 203-43-43831 | LEVER | 3184-3686 | ||
| \3\203-43-43830 | LEVER | 3001-3183 | ||
| (203-43-43831{195-61-34130(2))} | ||||
| 11 | 07020-00900 | FITTING,GREASE | 3001-3183 | |
| 12 | 195-61-34130 | BEARING | 3184- | |
| 06120-02016 | BEARING | 3001-3183 | ||
| 13 | 06122-02004 | SEAL,BEARING | 3001-3183 | |
| 14 | 21K-43-21110 | ROD | 3001- | |
| 15 | 01508-21006 | NUT,L.H. THREAD | 3001- | |
| 16 | 04250-61056 | END,ROD¤ L.H. THREAD | 3001- | |
| 17 | 01010-51030 | BOLT | 3001- | |
| 18 | 01643-31032 | WASHER | 3687- | |
| \0\04254-01032 | SPACER | 3001-3686 | ||
| 19 | 01582-11008 | NUT | 3001- | |
| 20 | 20T-43-22210 | YOKE | 3001- | |
| 21 | 04205-10822 | PIN | 3001- | |
| 22 | 04050-12012 | PIN,COTTER | 3001- | |
| 23 | 203-43-42542 | PLATE | 3687- | |
| 203-43-42541 | PLATE | 3001-3686 | ||
| 24 | 01010-50825 | BOLT | 3687- | |
| 01010-50830 | BOLT | 3001-3686 | ||
| 25 | 01602-20825 | WASHER,SPRING | 3687- | |
| 01643-30823 | WASHER | 3001-3686 | ||
| 26 | 22W-06-15861 | SWITCH,AUTO DECELERATION | 3521-3686 | |
| \0\22W-06-15860 | SWITCH,AUTO DECELERATION | 3001-3520 | ||
| 27 | 01010-51035 | BOLT | 3001- | |
| 28 | 01643-31032 | WASHER | 3001- | |
| 29 | 203-973-4510 | WIRE | 3001- | |
| 30 | 08036-10814 | CLIP | 3001- | |
| 31 | 08036-01814 | CLIP | 3001- | |
| 32 | 203-43-43850 | LEVER | 3001- | |
| 33 | 203-43-43860 | LEVER | 3001- | |
| 34 | 203-43-31420 | BUSHING | 3001- | |
| 35 | 203-43-43230 | SPRING | 3001- |
