
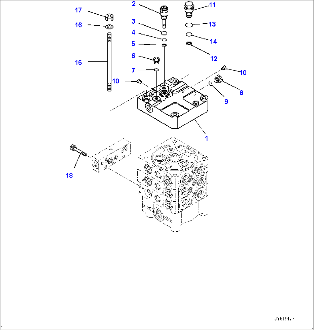
| Item | Part No. | Part Name | Qty | Serial No. |
| 723-53-16700 | Valve Assembly, Control | 85001- | ||
| Cover Group | 85001- | |||
| 1 | Cover | 85001- | ||
| 2 | 723-50-57100 | Plug Assembly | 85001- | |
| 3 | 07002-11423 | O-ring | 85001- | |
| 4 | 07000-11004 | O-ring | 85001- | |
| 5 | 07001-01004 | Ring, Back-up | 85001- | |
| 6 | 708-8E-16160 | Plug | 85001- | |
| 7 | 07002-11023 | O-ring | 85001- | |
| 8 | 07040-11409 | Plug | 85001- | |
| 9 | 07002-11423 | O-ring | 85001- | |
| 10 | Plug, Stocking | 85001- | ||
| 11 | 723-56-33710 | Plug | 85001- | |
| 12 | 702-21-53140 | Filter | 85001- | |
| 13 | 07000-13024 | O-ring | 85001- | |
| 14 | 07000-12016 | O-ring | 85001- | |
| 15 | 723-50-11130 | Stud | 85001- | |
| 16 | 01643-31232 | Washer | 85001- | |
| 17 | 01580-11210 | Nut | 85001- | |
| 18 | 01252-60840 | Bolt, Hexagon Socket Head | 85001- |
