
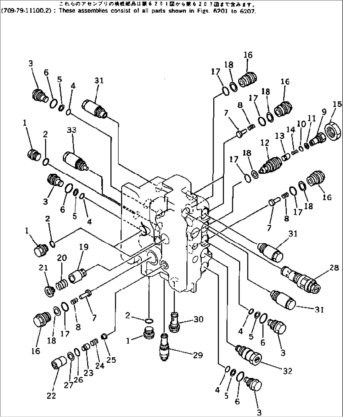
| Item | Part No. | Part Name | Qty | Serial No. |
| (709-79-12107) | CONTROL VALVE ASS'Y | K10001- | ||
| (709-75-92104) | VALVE ASS'Y | K10001- | ||
| 1 | 700-22-11370 | PLUG | K10001- | |
| 2 | 07002-12434 | O-RING | K10001- | |
| 3 | 700-84-13960 | PLUG | K10001- | |
| 4 | 700-22-11410 | O-RING | K10001- | |
| 5 | 700-80-64220 | RING,BACK-UP | K10001- | |
| 6 | 07002-03034 | O-RING | K10001- | |
| 7 | 709-75-92210 | VALVE,CHECK | K10001- | |
| 8 | 709-75-92220 | SPRING | K10001- | |
| 9 | 709-74-92450 | PLUG | K10001- | |
| 10 | 07000-12010 | O-RING | K10001- | |
| 11 | 07001-02010 | RING,BACK-UP | K10001- | |
| 12 | 709-74-92440 | PLUG | K10001- | |
| 13 | 706-73-70140 | VALVE,CHECK | K10001- | |
| 14 | 706-73-70150 | SPRING | K10001- | |
| 15 | 709-74-92460 | NUT | K10001- | |
| 16 | 709-75-92230 | PLUG | K10001- | |
| 17 | 700-93-11320 | O-RING | K10001- | |
| 18 | 700-93-11330 | RING,BACK-UP | K10001- | |
| 19 | 709-74-92280 | VALVE | K10001- | |
| 20 | 709-74-92290 | SPRING | K10001- | |
| 21 | 709-74-92310 | SEAT | K10001- | |
| 22 | (709-70-51200) | RELIEF VALVE ASS'Y | K10001- | |
| 23 | (709-70-55101) | RELIEF VALVE ASS'Y | K10001- | |
| 24 | (709-70-91300) | ORIFICE ASS'Y | K10001- | |
| 25 | (700-70-62200) | VALVE ASS'Y | K10001- | |
| 26 | (709-70-61600) | VALVE ASS'Y | K10001- | |
| 27 | 700-84-13960 | PLUG | K10001- | |
| 28 | 700-22-11410 | O-RING | K10001- | |
| 29 | 700-80-64220 | RING | K10001- | |
| 30 | 07002-03034 | O-RING | K10001- |
