
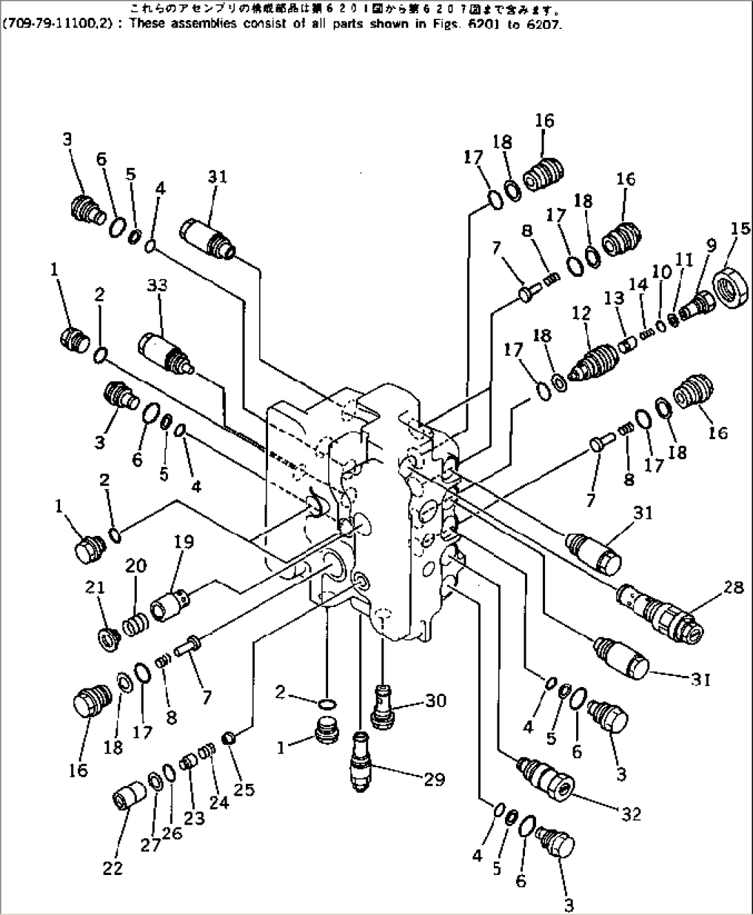
| Item | Part No. | Part Name | Qty | Serial No. |
| (709-79-11102) | CONTROL VALVE ASS'Y | 20760-21134 | ||
| \0\709-79-11100 | CONTROL VALVE ASS'Y | 20001-20759 | ||
| (709-75-91100) | VALVE ASS'Y | 20001-@ | ||
| 1 | 700-22-11370 | PLUG | 20001-@ | |
| 2 | 07002-12434 | O-RING | 20001-@ | |
| 3 | 700-84-13960 | PLUG | 20001-@ | |
| 4 | 700-22-11410 | O-RING | 20001-@ | |
| 5 | 700-80-64220 | RING,BACK-UP | 20001-@ | |
| 6 | 07002-03034 | O-RING | 20001-@ | |
| 7 | 709-75-92210 | VALVE,CHECK | 20001-@ | |
| 8 | 709-75-92220 | SPRING | 20001-@ | |
| 9 | 709-74-92450 | PLUG | 20001-@ | |
| 10 | 07000-12010 | O-RING | 20001-@ | |
| 11 | 07001-02010 | RING,BACK-UP | 20001-@ | |
| 12 | 709-74-92440 | PLUG | 20001-@ | |
| 13 | 706-73-70140 | VALVE,CHECK | 20001-@ | |
| 14 | 706-73-70150 | SPRING | 20001-@ | |
| 15 | 709-74-92460 | NUT | 20001-@ | |
| 16 | 709-75-92230 | PLUG | 20001-@ | |
| 17 | 700-93-11320 | O-RING | 20001-@ | |
| 18 | 700-93-11330 | RING,BACK-UP | 20001-@ | |
| 19 | 709-74-92280 | VALVE | 20001-@ | |
| 20 | 709-74-92290 | SPRING | 20001-@ | |
| 21 | 709-74-92310 | SEAT | 20001-@ | |
| 22 | 709-74-92320 | SLEEVE | 20001-21134 | |
| 23 | 709-74-92330 | VALVE | 20001-21134 | |
| 24 | 709-74-92340 | SPRING | 20001-21134 | |
| 25 | 709-74-92350 | SEAT | 20001-21134 | |
| 26 | 07000-12021 | O-RING | 20001-21134 | |
| 27 | 07001-02021 | RING,BACK-UP | 20001-21134 | |
| 28 | (709-70-51200) | RELIEF VALVE ASS'Y | 20001-@ | |
| 29 | (709-70-55100) | RELIEF VALVE ASS'Y | 20001-@ | |
| 30 | (709-70-91300) | ORIFICE ASS'Y | 20001-@ | |
| 31 | (700-81-81000) | VALVE ASS'Y | 20001-21134 | |
| 32 | (709-70-62200) | VALVE ASS'Y,SAFETY | 20001-@ | |
| (\2\709-70-62100) | VALVE ASS'Y,SAFETY | (20001-.) | ||
| 33 | (709-70-61200) | VALVE ASS'Y | 20001-@ |
