
| Item | Part No. | Part Name | Qty | Serial No. |
| (569-14-40001) | TORQFLOW ASS'Y | 1102- | ||
| THIS ASSEMBLY CONSISTS OF ALL PARTS SHOWN IN FIGS.220 TO 266. | ||||
| (569-15-00201) | TRANSMISSION ASS'Y | 1118- | ||
| (\0\569-15-00200) | TRANSMISSION ASS'Y | 1102-1117 | ||
| THESE ASSEMBLIES CONSIST OF ALL PARTS SHOWN IN FIGS.251 TO 266. | ||||
| (569-15-00601) | VALVE ASS'Y | 1158- | ||
| (\0\569-15-00600) | VALVE ASS'Y | 1102-1157 | ||
| THESE ASSEMBLIES CONSIST OF ALL PARTS SHOWN IN FIGS.261 TO 266. | ||||
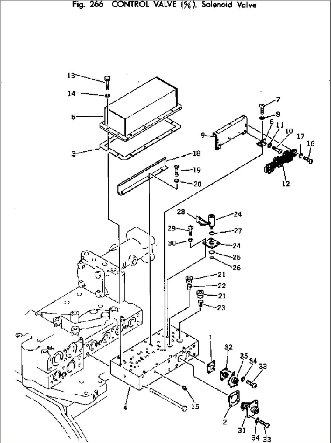
| 568-15-00070 | VALVE ASS'Y,SOLENOID | 1102- | ||
| 1 | 568-15-15870 | GASKET (KIT) | 1102- | |
| 2 | 568-15-15880 | GASKET (KIT) | 1102- | |
| 3 | 568-15-15831 | GASKET (KIT) | 1102- | |
| 4 | 568-15-15811 | SEAT | 1102- | |
| 5 | 568-15-15821 | COVER | 1102- | |
| 6 | 568-15-15781 | BRACKET | 1102- | |
| 7 | 01220-40412 | SCREW | 1102- | |
| 8 | 01601-20410 | WASHER | 1102- | |
| 9 | 568-15-15930 | SEAT | 1102- | |
| 10 | 01220-40408 | SCREW | 1102- | |
| 11 | 01601-20410 | WASHER | 1102- | |
| 12 | 568-15-17220 | TERMINAL | 1102- | |
| 13 | 01252-40616 | BOLT | 1102- | |
| 14 | 01602-20619 | WASHER | 1102- | |
| 15 | 07042-00108 | PLUG | 1102- | |
| 16 | 01220-40310 | SCREW | 1102- | |
| 17 | 01601-20307 | WASHER | 1102- | |
| 18 | 568-15-15890 | PROTECTOR | 1102- | |
| 19 | 01220-40412 | SCREW | 1102- | |
| 20 | 01601-20410 | WASHER | 1102- | |
| 21 | 568-15-15960 | BUSHING | 1102- | |
| 22 | 568-15-15970 | PAD | 1102- | |
| 23 | 568-15-15980 | PAD | 1102- | |
| 24 | 568-15-17210 | VALVE,SOLENOID | 1102- | |
| 25 | 568-15-17260 | O-RING (KIT) | 1102- | |
| 26 | 07000-31006 | O-RING (KIT) | 1102- | |
| 27 | 07000-32018 | O-RING (KIT) | 1102- | |
| 28 | 08031-00103 | TERMINAL | 1102- | |
| 29 | 01220-40416 | SCREW | 1102- | |
| 30 | 01601-20410 | WASHER | 1102- | |
| 31 | 568-15-17112 | HARNESS | 1102- | |
| 32 | 568-15-17130 | HARNESS | 1102- | |
| 33 | 01220-40310 | SCREW | 1102- | |
| 34 | 01601-20307 | WASHER | 1102- | |
| 35 | 281-43-18270 | CAP | 1158- |
