
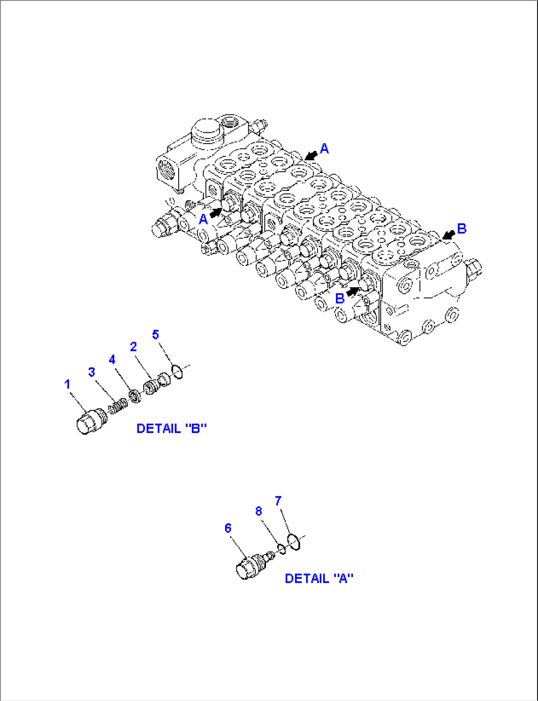
| Item | Part No. | Part Name | Qty | Serial No. |
| \0 | (723-29-11400) | CONTROL VALVE, ASSY. | 21D5200001- | |
| \0 | 723-20-80100 | SUCTION VALVE | 21D5200001- | |
| 1 | \6\ | SLEEVE | 21D5200001- | |
| 2 | \6\ | VALVE | 21D5200001- | |
| 3 | \6\ | SPRING | 21D5200001- | |
| 4 | \6\ | GASKET | 21D5200001- | |
| 5 | 07002-12034 | O-RING | 21D5200001- | |
| 6 | 723-26-15310 | PLUG | 21D5200001- | |
| 7 | 07002-12034 | O-RING | 21D5200001- | |
| 8 | 07000-11007 | O-RING | 21D5200001- |
