
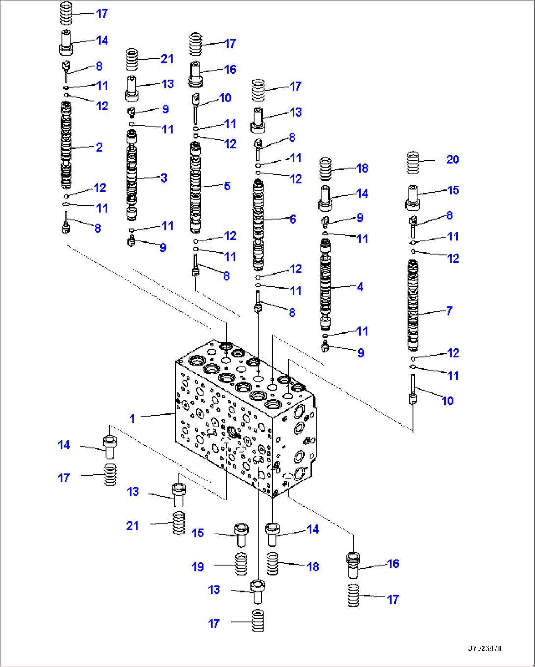
| Item | Part No. | Part Name | Qty | Serial No. |
| 723-47-21600 | Valve, Control | 500001- | ||
| Body Subassembly | 500001- | |||
| 1 | Valve Body | 500001- | ||
| 2 | Spool | 500001- | ||
| 3 | Spool | 500001- | ||
| 4 | Spool | 500001- | ||
| 5 | Spool | 500001- | ||
| 6 | Spool | 500001- | ||
| 7 | Spool | 500001- | ||
| 8 | 723-46-15130 | Plug | 500001- | |
| 9 | 723-46-15140 | Plug | 500001- | |
| 10 | 723-46-15650 | Plug | 500001- | |
| 11 | 07002-10823 | O-ring | 500001- | |
| 12 | 708-7T-16460 | Ball | 500001- | |
| 13 | 723-46-15120 | Retainer | 500001- | |
| 14 | 723-46-15690 | Retainer | 500001- | |
| 15 | 723-46-15950 | Retainer | 500001- | |
| 16 | 723-46-15880 | Retainer | 500001- | |
| 17 | 723-46-14110 | Spring | 500001- | |
| 18 | 723-46-14470 | Spring | 500001- | |
| 19 | 723-46-14280 | Spring | 500001- | |
| 20 | 723-46-14290 | Spring | 500001- | |
| 21 | 723-46-14460 | Spring | 500001- |
