
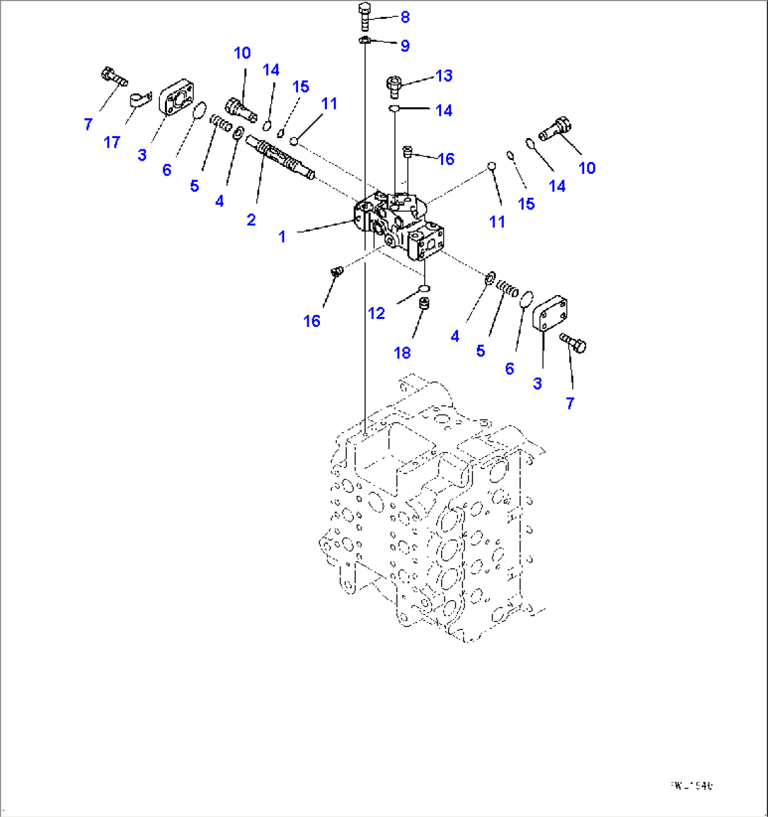
| Item | Part No. | Part Name | Qty | Serial No. |
| 709-99-15400 | Valve, Control | 80001- | ||
| 709-94-92900 | Valve Assembly, Shuttle | 80001- | ||
| 1 | Block | 80001- | ||
| 2 | Spool | 80001- | ||
| 3 | 709-70-91150 | Plate | 80001- | |
| 4 | 706-73-77140 | Plate | 80001- | |
| 5 | 709-70-91240 | Spring | 80001- | |
| 6 | 07000-13025 | O-ring | 80001- | |
| 7 | 01435-00825 | Bolt | 80001- | |
| 8 | 01010-80855 | Bolt | 80001- | |
| 9 | 01643-30823 | Washer | 80001- | |
| 10 | Plug | 80001- | ||
| 11 | Ball | 80001- | ||
| 12 | O-ring | 80001- | ||
| 13 | Plug | 80001- | ||
| 14 | O-ring | 80001- | ||
| 15 | O-ring | 80001- | ||
| 16 | Plug, Taper | 80001- | ||
| 17 | 08036-30810 | Clip | 80001- | |
| 18 | Orifice | 80001- |
