
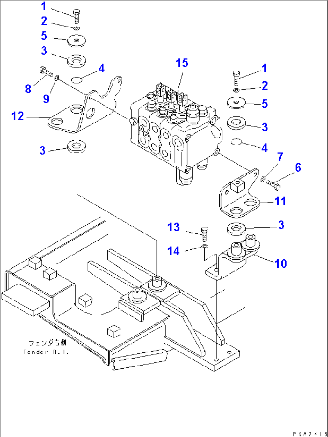
| Item | Part No. | Part Name | Qty | Serial No. |
| 1 | 01010-81225 | BOLT | B20001- | |
| 2 | 01643-31232 | WASHER | B20001- | |
| 3 | 14X-60-12120 | CUSHION | B20001- | |
| 4 | 07000-03025 | O-RING | B20001- | |
| 5 | 566-35-42430 | PLATE | B20001- | |
| 6 | 01010-81020 | BOLT | B20001- | |
| 7 | 01643-31032 | WASHER | B20001- | |
| 8 | 01010-80820 | BOLT | B20001- | |
| 9 | 01643-30823 | WASHER | B20001- | |
| 10 | 124-60-51121 | BRACKET | B20001- | |
| 11 | 124-60-51131 | BRACKET | B20001- | |
| 12 | 124-60-51142 | BRACKET | B20001- | |
| 13 | 01010-81235 | BOLT | B20001- | |
| 14 | 01643-31232 | WASHER | B20001- | |
| 15 | (723-23-10300) | VALVE ASS'Y | B20001- |
